EasyManua.ls Logo

Friedrich FPHW093B - Fphsr4 A3 B

Friedrich FPHW093B
103 pages
Print Icon
To Next Page IconTo Next Page
To Next Page IconTo Next Page
To Previous Page IconTo Previous Page
To Previous Page IconTo Previous Page
Loading...
97 PB
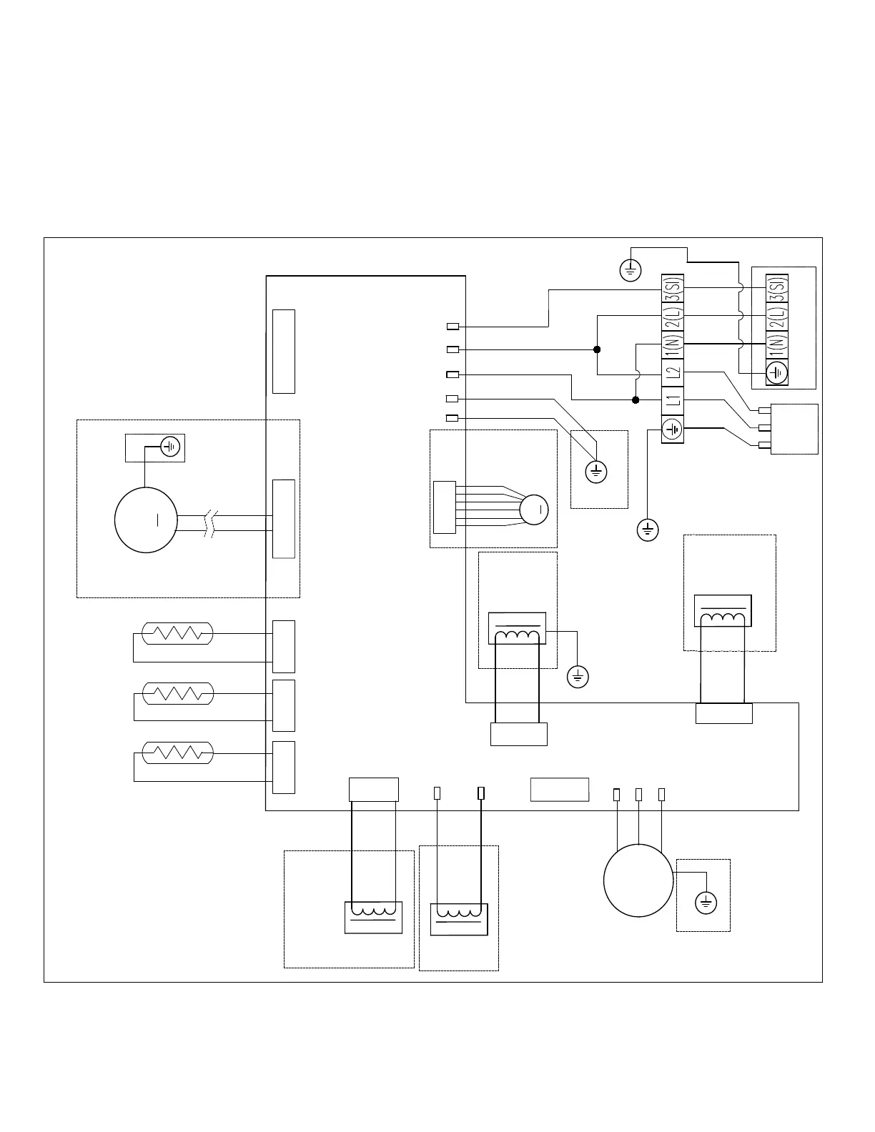
WIRING DIAGRAMS
Outdoor Unit
FPHSR24A3B
X860/CN909
M
DC FAN MOTOR
Y/G
BRN(OG) BRN(OG)
OPTIONAL
X121/CN206
RED
BLK
WHT
BLK
YEL
AC-N
AC-L
X701/CN201
INDUCTOR
X702/CN202
RED
W
V
U
X800
BRN
WHT
X410/CN905
COIL TEMP.
X400/CN904
OUTDOOR
TEMP.
DISCHARGE TEMP.
CN907
CM
COMPRESSOR
WHT
BLU
RED
Y/G
X840/CN903
X430/CN902
TERMINAL
PANEL
INDOOR UNIT
BLU
RED
X920/CN801
X111/CN204
X101/CN203
CONTROL BOARD
GN
M
ELECTRONIC
EXPANSION
VALVE
CN952
X810/CN911
W
V
U
1 2
Y/G
POWER
AC
BLK
WHT
GN
BRN
BLU
X122
Y/G
X420
BLK
CN906
X865
Reversing Valve
Basepan
Heater
For Troubleshooting Purposes Only (For unit Installation Refer to Diagram on Unit)
CN910
1 2
Compressor
Heater

Table of Contents

Related product manuals