EasyManua.ls Logo

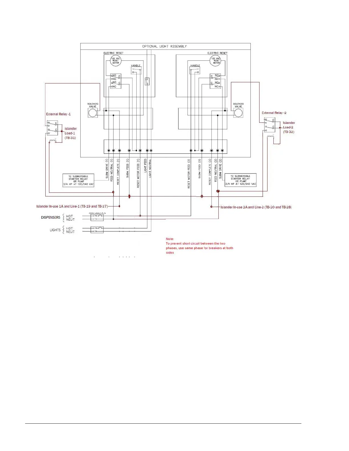
Gasboy Islander PLUS - Figure 3-19 Mechanical Pump - Twin Dispenser Connections

Gasboy Islander PLUS
146 pages
Print Icon
To Next Page IconTo Next Page
To Next Page IconTo Next Page
To Previous Page IconTo Previous Page
To Previous Page IconTo Previous Page
Loading...
Figure 3-19 Mechanical Pump Twin Dispenser Connections
Islander PLUS Manual
68

Table of Contents

Related product manuals