EasyManua.ls Logo

GE 339 - Page 184

GE 339
342 pages
Print Icon
To Next Page IconTo Next Page
To Next Page IconTo Next Page
To Previous Page IconTo Previous Page
To Previous Page IconTo Previous Page
Loading...
6–50 339 MOTOR PROTECTION SYSTEM – INSTRUCTION MANUAL
S3 PROTECTION CHAPTER 6: SETPOINTS
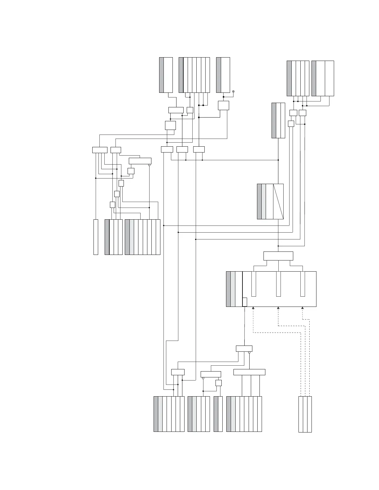
Figure 6-21: Short Circuit logic diagram
SETTING
Phase A current (IA)
RUN
SETTING
S/C FUNC
Disabled = 0
Latched Alarm
S/C PKP
S/C DELAY
Phase B current (IB)
Phase C current (IC)
Alarm
Phase Currents
Trip
SETTING
BLOCK 1:
Off = 0
BLOCK 2:
Off = 0
BLOCK 3:
Off = 0
IB
>
PICKUP
IA
>
PICKUP
IC
>
PICKUP
SETTING
S/C ALARM PKP
t
PKP
0
S
R
LATCH
896812A1.cdr
LOGIC OPERAND
S/C ALARM OP
LOGIC OPERAND
SETTING
S2 MOTOR
Enable 2-spd Motor
Enabled = 0
MOTOR SPEED INDICATION
Low Speed
OR
OR
AND
OR
AND
AND
AND
OR
OR
AND
AND
INPUTS
Emergency Restart Input
Lockout Reset Input
SETTINGS
Off = 0
Lockout Reset
Off = 0
Emergency Restart
S4 CONTROLS
S/C Alarm
State: Operate
TARGET MESSAGE
ANY ALARM OP
S/C TRIP OP
ANY TRIP OP
S
R
NV
LATCH
Short Circuit Trip
State: Operate
TARGET MESSAGE
ANY ALARM PKP
S/C TRIP PKP
ANY TRIP PKP
AND
AND
OR
S3 SHORT CIRCUIT
S3 SHORT CIRCUIT
S3 SHORT CIRCUIT
AND
OR
SETTING
S3 SHORT CIRCUIT
OR
Reset Input
Reset
Off = 0
AND
OR
KEYPAD RESET
LED: Lockout
ANY LATCHED ALARM OP
S/C Alarm
State: Pickup
TARGET MESSAGE
Short Circuit Trip
State: Pickup
OR
AND
Disabled = 0
LOCKOUT OP
OUTPUT RELAY X
Do Not Operate, Operate

Table of Contents

Related product manuals