EasyManua.ls Logo

GE 339 - Page 197

GE 339
342 pages
Print Icon
To Next Page IconTo Next Page
To Next Page IconTo Next Page
To Previous Page IconTo Previous Page
To Previous Page IconTo Previous Page
Loading...
CHAPTER 6: SETPOINTS S3 PROTECTION
339 MOTOR PROTECTION SYSTEM – INSTRUCTION MANUAL 6–63
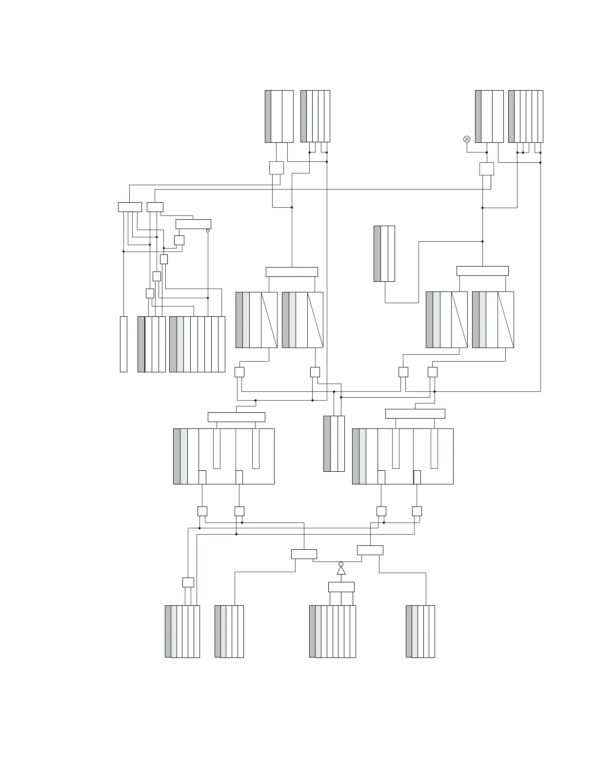
Figure 6-27: Ground Fault logic diagram
LOGIC OPERAND
GND FAULT TRIP OP
ANY TRIP OP
LOGIC OPERAND
GND FAULT ALARM OP
ANY ALARM OP
S
R
NV
LATCH
GND FAULT TRIP PKP
GND FAULT ALM PKP
TARGET MESSAGE
Gnd Fault Alarm
State: Operate
S
R
LATCH
Gnd Fault Alarm
State: Pickup
TARGET MESSAGE
Gnd Fault Trip
State: Operate
Gnd Fault Trip
State: Pickup
ANY ALARM PKP
ANY TRIP PKP
OR
GND ALARM ON START
SETTING
t
PKP
0
S3 GROUND FAULT
GND ALARM ON RUN
SETTING
t
PKP
0
S3 GROUND FAULT
GND TRIP ON START
SETTING
t
PKP
0
S3 GROUND FAULT
GND TRIP ON RUN
SETTING
t
PKP
0
S3 GROUND FAULT
OR
SETTING
RUN
GND ALARM PKP
Isg
>
PICKUP
Ig
>
PICKUP
S3 GROUND FAULT
SETTING
RUN
GND TRIP PKP
Isg
>
PICKUP
Ig
>
PICKUP
S3 GROUND FAULT
RUN
RUN
OR
OR
AND
AND
AND
AND
AND
AND
AND
AND
MOTOR STATUS
Starting
Running
896821A1.cdr
AND
AND
S3 GROUND FAULT
BLOCK 1
BLOCK 2
BLOCK 3
OFF = 0
OFF = 0
OFF = 0
OR
SETTINGS
S3 GROUND FAULT
GND ALARM FUNC
Enabled = 1
SETTINGS
S2 CURRENT SENSING
GROUND CT TYPE
5 A Secondary
1 A Secondary
50:0.025
SETTINGS
S3 GROUND FAULT
GND TRIP FUNC
Enabled = 1
SETTINGS
OR
LED: Lockout
Disabled = 0
Disabled = 0
OR
AND
AND
INPUTS
Emergency Restart Input
Lockout Reset Input
SETTINGS
Off = 0
Lockout Reset
Off = 0
Emergency Restart
S4 CONTROLS
Reset Input
Reset
Off = 0
AND
OR
KEYPAD RESET
OR
AND
LOCKOUT OP
SETTING
OUTPUT RELAY X
Do Not Operate, Opereate

Table of Contents

Related product manuals