EasyManua.ls Logo

GE 339 - Page 212

GE 339
342 pages
Print Icon
To Next Page IconTo Next Page
To Next Page IconTo Next Page
To Previous Page IconTo Previous Page
To Previous Page IconTo Previous Page
Loading...
6–78 339 MOTOR PROTECTION SYSTEM – INSTRUCTION MANUAL
S3 PROTECTION CHAPTER 6: SETPOINTS
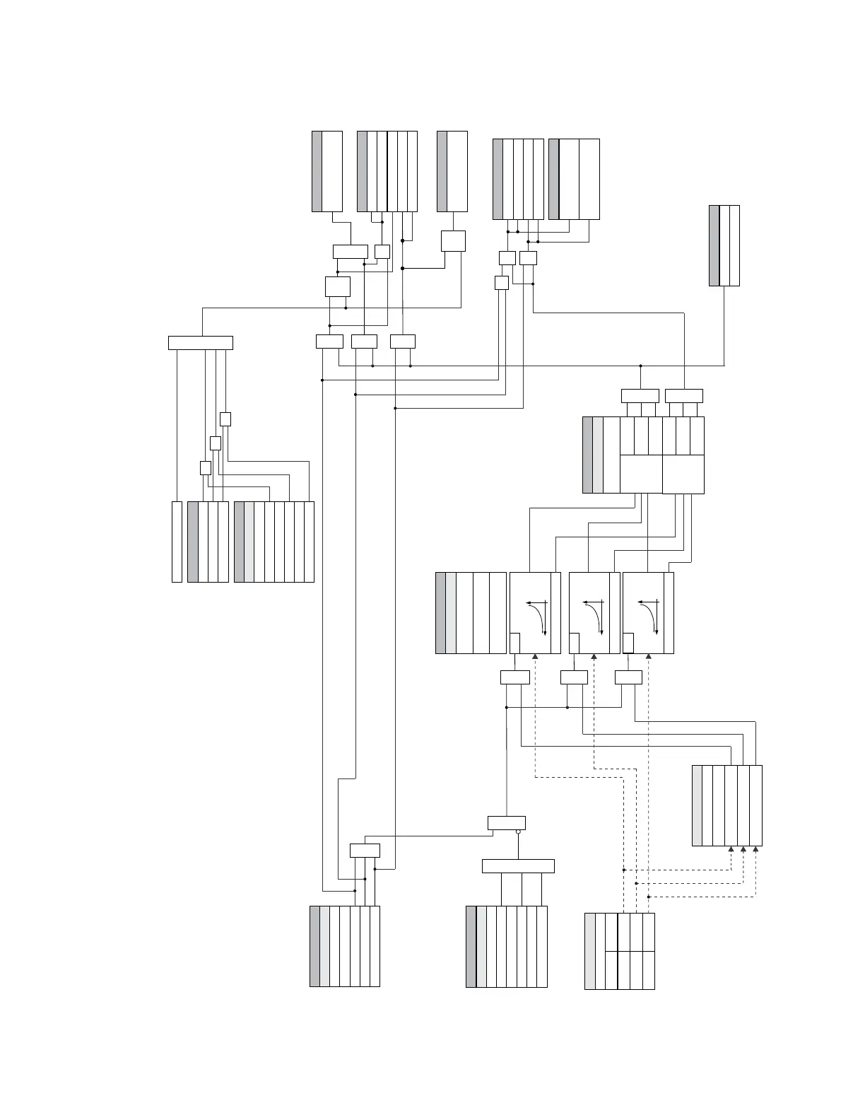
Figure 6-32: Phase Undervoltage logic diagram
SETTING
PH UV FUNCTION
Disabled = 0
Latched Alarm
Alarm
Trip
SETTING
BLOCK 1:
Off = 0
BLOCK 2:
Off = 0
BLOCK 3:
Off = 0
PH UV ALARM PKP
S
R
LATCH
896831.cdr
LOGIC OPERAND
PH UV ALARM OP
LOGIC OPERAND
OR
OR
AND
AND
AND
AND
OR
AND
AND
INPUTS
Emergency Restart Input
Lockout Reset Input
SETTINGS
Off = 0
Lockout Reset
Off = 0
Emergency Restart
S4 CONTROLS
PH UV Alarm
State: Operate
TARGET MESSAGE
ANY ALARM OP
PH UV TRIP OP
ANY TRIP OP
S
R
LATCH
PH UV Trip
State: Operate
TARGET MESSAGE
ANY ALARM PKP
PH UV TRIP PKP
ANY TRIP PKP
AND
AND
OR
S3 PHASE UV
S3 PHASE UV
OR
Reset Input
Reset
Off = 0
AND
OR
KEYPAD RESET
ANY LATCHED ALARM OP
PH UV
State: Pickup
Alarm
TARGET MESSAGE
PH UV
State: Pickup
Trip
S3 PHASE UV
Vab
PH UV PICKUP:
PH UV CURVE:
PH UV DELAY:
Vbc
Vca
RUN
RUN
RUN
PICKUP
Van
Vbn
Vcn
PICKUP
PICKUP
Van or Vab > Minimum
Vbn or Vbc > Minimum
Vcn or Vca > Minimum
PH UV MIN VOLTAGE:
S3 PHASE UV
AND
AND
AND
DeltaWye
All Three
Any One
Any Two
Operate for
programmed
combination
Any Two
Any One
All Three
S3 PHASE UV
PH UV PHASES
OR OR
Pickup for
programmed
combination
896831A1.cdr
SETTING
SETTING
VT CONNECTION
S2 SYSTEM SETUP
SETTING
OUTPUT RELAY X
SETTING
Do Not Operate, Operate

Table of Contents

Related product manuals