EasyManua.ls Logo

GE 339 - Page 247

GE 339
342 pages
Print Icon
To Next Page IconTo Next Page
To Next Page IconTo Next Page
To Previous Page IconTo Previous Page
To Previous Page IconTo Previous Page
Loading...
CHAPTER 6: SETPOINTS S3 PROTECTION
339 MOTOR PROTECTION SYSTEM – INSTRUCTION MANUAL 6–113
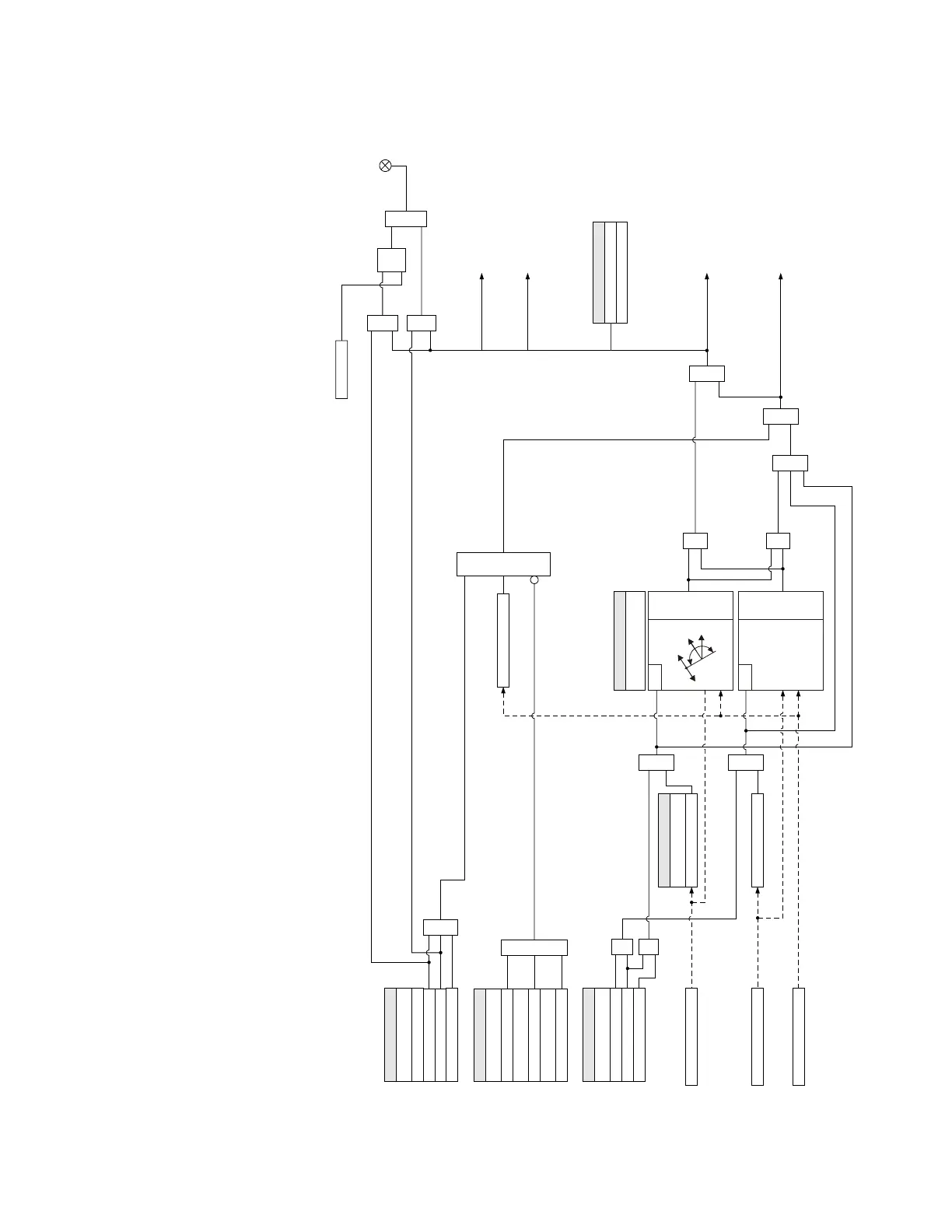
Figure 6-47: Neutral Directional logic diagram
Zero Sequence Voltage (-V0)
SETPOINT
NTRL DIR FUNCTION:
Disabled = 0
Latched Alarm
SETPOINTS
BLOCK 1:
Off = 0
BLOCK 2:
Off = 0
BLOCK 3:
Off = 0
OR
NTRL DIR REVERSE
(To Neutral TOC and Neutral IOC )
Alarm
OR
OR
REVERSE
(Message)
AND
Control
Neutral Current (In)
Ground current (Ig)
Voltage Polarization
-3V_0
3I_0
FWD
REV
REV
RUN
SETPOINT
NTRL DIR MTA
Current Polarization
REV
RUN
SETPOINT
NTRL DIR POLARIZING:
Current
Dual
Voltage
OR OR
SETPOINT
MIN POL VOLTAGE:
|V0| >MINIMUM
AND
Ig > 0.05 x CT
AND
In > 0.05 x CT
AND
OR XOR
AND
NAND
AND
Ntrl Dir Reverse
(Event Recorder, Transient Recorder)
Direction OK
LED: ALARM
RESET
Command
AND
S
R
LATCH
896017A3.cdr
OUTPUT RELAY X
Do Not Operate, Operate
SETPOINT

Table of Contents

Related product manuals