EasyManua.ls Logo

GE 339 - Page 256

GE 339
342 pages
Print Icon
To Next Page IconTo Next Page
To Next Page IconTo Next Page
To Previous Page IconTo Previous Page
To Previous Page IconTo Previous Page
Loading...
6–122 339 MOTOR PROTECTION SYSTEM – INSTRUCTION MANUAL
S4 CONTROLS CHAPTER 6: SETPOINTS
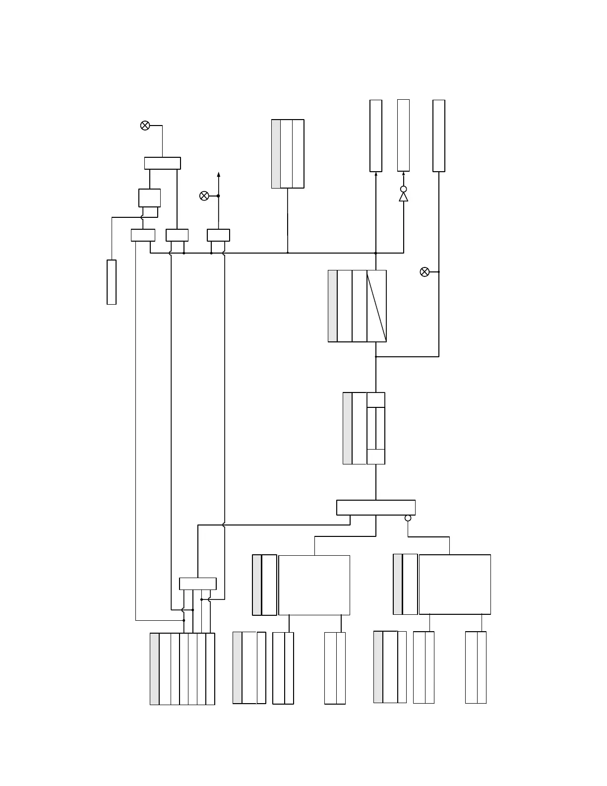
Figure 6-53: Logic Element logic diagram
TRIGGER SOURCE 1
Off
Off
OR, AND, NOR,
NAND, XOR, XNOR
AND
PKP TIME DELAY
SETPOINT
t
PKP
t
RST
LE1 ASSERTED STATE:
SETPOINT
t
PKP
Off
On
Event Recorder
Transient Recorder
SETPOINT
Do Not Operate, Operate
OUTPUT RELAY X
RST TIME DELAY
Logic Elem 1OP
Logic Elem 1 DPO
Logic Elem 1 PKP
LED: PICKUP
Message
SETPOINT
LOGIC EL FUNCTION
Disabled= 0
Latched Alarm
Operate Output Relay 1 ( TRIP)
LED: ALARM
LED: TRIP
Alarm
OR
OR
AND
RESET
Command
Trip
ANDAND
Control
S
R
LATCH
t
PKP
TRIGGER LOGIC
SETPOINT
TRIGGER SOURCE 8
t
PKP
TRIGGER INPUTS
SETPOINT
2to8
BLOCK 1
Off
Off
OR, AND, NOR,
NAND, XOR, XNOR
t
PKP
BLOCK LOGIC
SETPOINT
BLOCK 4
t
PKP
BLOCK INPUTS
SETPOINT
2to4
.
.
.
.
.
.
898755A2.cdr

Table of Contents

Related product manuals