EasyManua.ls Logo

GE Multilin 850 - Page 359

GE Multilin 850
616 pages
Print Icon
To Next Page IconTo Next Page
To Next Page IconTo Next Page
To Previous Page IconTo Previous Page
To Previous Page IconTo Previous Page
Loading...
CHAPTER 4: SETPOINTS PROTECTION
850 FEEDER PROTECTION SYSTEM – INSTRUCTION MANUAL 4–227
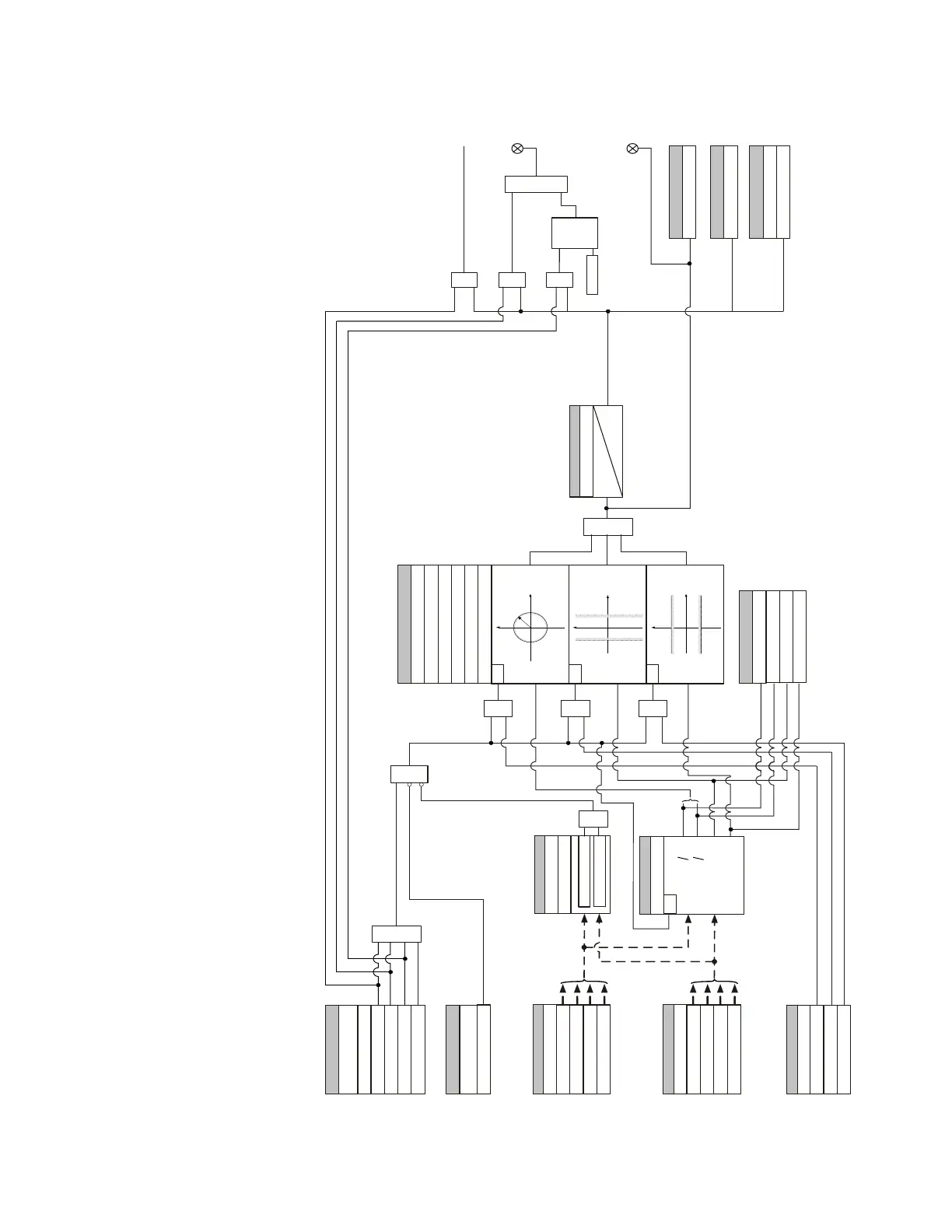
Figure 4-93: Neutral Admittance Ground Protection logic diagram
894186A1.cdr
Operate Output Relay 1(TRIP)
LED: Alarm
AND
OR
LATCH
S
R
RESET
Command
AND
SETPOINT
BLOCK:
Off=0
PICKUP DELAY:
SETPOINT
t
PKP
SETPOINT
Output Relay X
Do Not Operate, Operate
ANDAND
SETPOINT
Configurable
FUNCTION:
Disabled=0
TRIP
LATCH ALARM
ALARM
OR
MIN VOLTAGE :
SETPOINT
V < Min Voltage
VOLTAGE INPUT :
SETPOINT
J2 V0
I < Min Current
MIN CURRENT:
SETPOINT
DIRECTION:
G0 FWD REACH:
Y0 REACH:
G0 REV REACH:
S0 FWD REACH:
S0 REV REACH:
RUN
MODE:
SETPOINT
G0
Y0
S0
RUN
RUN
AND AND AND
jB
G
Y0
Operate
Block
G
Operate
Block
G0
G0
Operate
jB
G
Operate
Block
B0
Operate
B0
SETPOINT
ANGLE CORRECTION:
FLEXLOGIC OPERANDS
Ntrl Admit 1 OP
FLEXLOGIC OPERANDS
Ntrl Admit 1 PKP
t
DOP
ACTUAL VALUES
Ntrl Admit Mag
Ntrl Admit Angle
Ntrl Conductance
Ntrl Susceptance
)sin(
cos(
Y
Y
Y
YB
YG
Ang
V
(I
MagY
00
00
0
00
RUN
K2 V0
J2 Vaux
K2 Vaux
CURRENT INPUT:
SETPOINT
J1 I0
K1 I0
J1 Ig
K1 Ig
OR
OR
)
)
=
V
(I
0
0
)
=
=
=
Ɵ
Ɵ
Ɵ
LED: Pickup

Table of Contents

Related product manuals