EasyManua.ls Logo

Graco XP70 - Air Controls, 26 C417

Graco XP70
94 pages
Print Icon
To Next Page IconTo Next Page
To Next Page IconTo Next Page
To Previous Page IconTo Previous Page
To Previous Page IconTo Previous Page
Loading...
Parts
3A0420ZAF 69
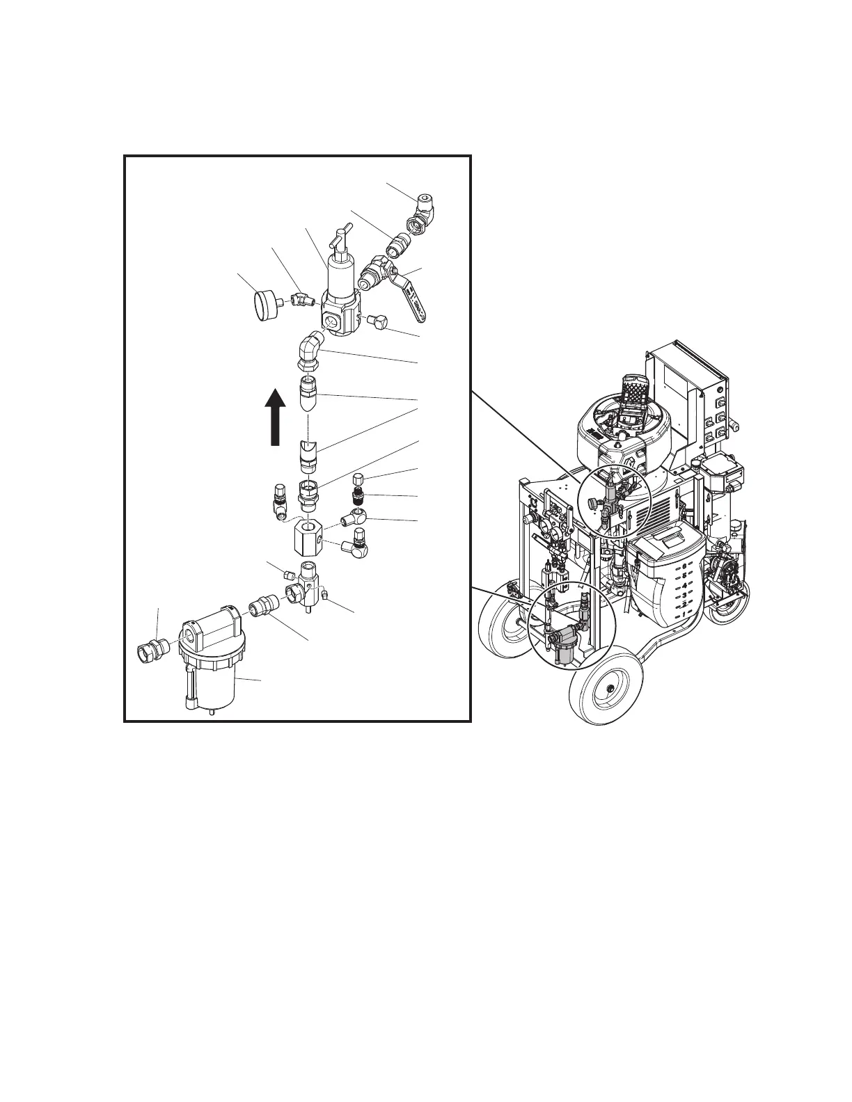
Air Controls, 26C417
WLD


















$LU)ORZ
Ref. Part Description Qty.
201 16F014 REGULATOR, air, T-handle
1
202 207675 MANIFOLD, air
1
203 113218 VALVE, ball
1
204 100509 PLUG; 1/4 npt
1
205 100403 PLUG; 1/8 npt
1
206 160327 FITTING, union, 90°; 3/4 male x
female
2
207 101689 GAUGE, pressure, air
1
208 155699 FITTING, elbow, street; 3/8 npt
3
209 119992 FITTING, pipe, nipple, 3/4 x
3/4 npt
2
210 117628 FITLTER, air, auto drain; 3/4 npt
1
210a 106204 ELEMENT, filter; 3/4 npt
(not shown)
1
211 157785 FITTING, union; 3/4 male x
female
2
213 15E145 MANIFOLD, air distribution
1
214 16E004 HOSE, coupled, air; 26 in.
(660 mm)
1
215 157350 NIPPLE; 3/8 x 1/4 npt
3
216 115781 CAP PLUG; 1/4 npt
3
217 119789 FITTING, elbow, street, 45 deg
1
218 100840 FITTING, elbow, street
1
Ref. Part Description Qty.

Table of Contents

Other manuals for Graco XP70

Related product manuals