EasyManua.ls Logo

Hioki RM3544 - 8.3 Internal Circuitry

Hioki RM3544
226 pages
Print Icon
To Next Page IconTo Next Page
To Next Page IconTo Next Page
To Previous Page IconTo Previous Page
To Previous Page IconTo Previous Page
Loading...
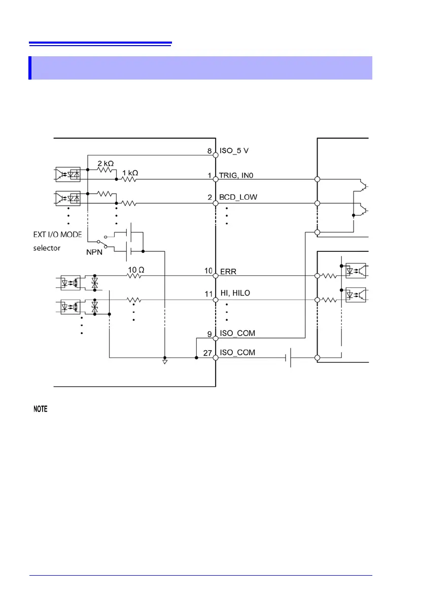
8.3 Internal Circuitry
104
Use ISO_COM as the common pin for both input and output signals.
If a high current will flow to common wiring, branch the output signal common wiring and
input signal common wiring from a point lying close to the ISO_COM pin.
8.3 Internal Circuitry
NPN Setting
PLC, etc.
PLC, etc.
Output
Input
Common
Do not connect external power to pin 8.
Zener Voltage 30 V
Internally Isolated Common Signal Ground
RM3544, RM3544-01
Common
* Isolate from the instrument protective ground.
Internally
isolated power

Table of Contents

Related product manuals