EasyManua.ls Logo

Hisun HS800 - Output Shaft

Hisun HS800
263 pages
Print Icon
To Next Page IconTo Next Page
To Next Page IconTo Next Page
To Previous Page IconTo Previous Page
To Previous Page IconTo Previous Page
Loading...
Engine
4-30
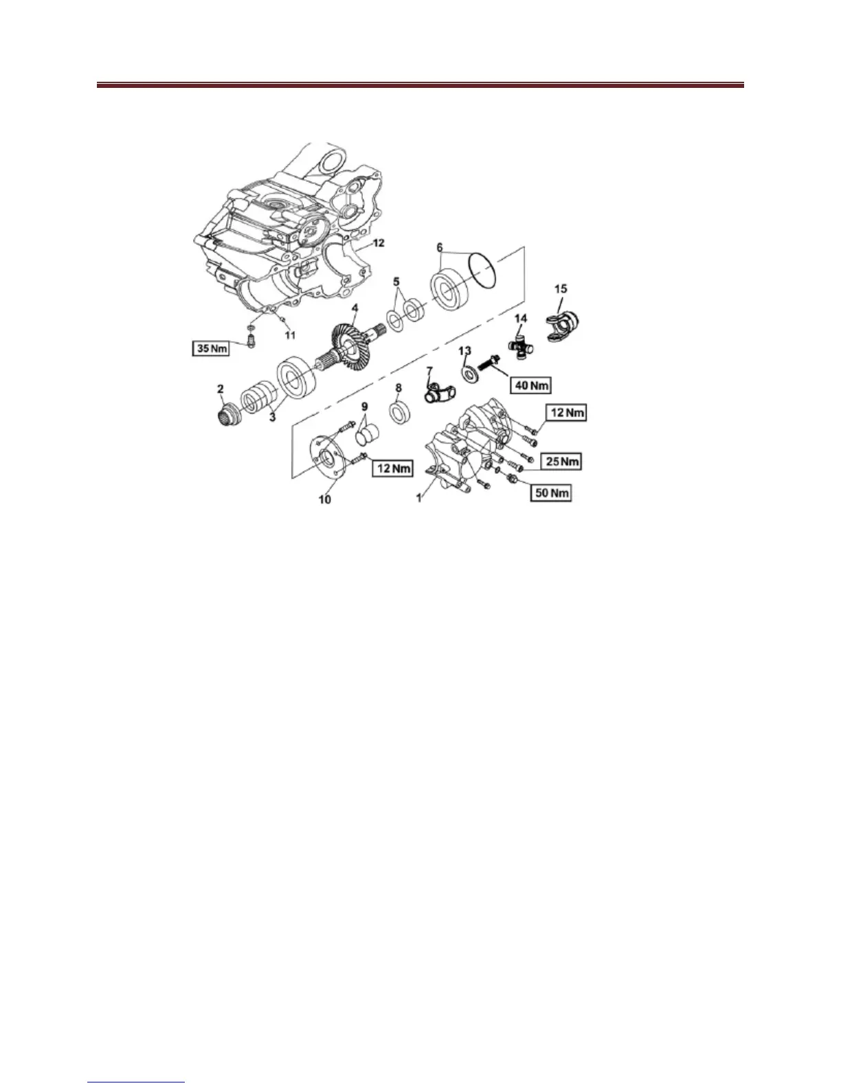
Output Shaft
No.
Part Name
Qty
Remarks
1
2
3
4
5
6
7
8
9
10
11
12
13
14
15
Remove the output shaft
Middle drive gear
Left gear case cover
Drive shaft coupling
Drive shaft spring/bearing
Output shaft Y-1
Washer/collar
Washer/O-ring
Universal joint A
Oil seal
Collar/O-ring
Rear drive bearing seat
Dowel pin
Gearcase
Washer
Cross joint
Universal joint B
1
1
1/1
1
1/1
1/1
1
1
1/1
1
4
1
1
1
1
Remove the parts in the order listed
For installation, reverse the order
listed.

Table of Contents