EasyManua.ls Logo

Immergas VICTRIX PRO V2 - 5.13 Wiring diagram two direct heating zones and DHW pump - OpenTherm

Immergas VICTRIX PRO V2
60 pages
Print Icon
To Next Page IconTo Next Page
To Next Page IconTo Next Page
To Previous Page IconTo Previous Page
To Previous Page IconTo Previous Page
Loading...
1
2 2
2
3
4
5
27
40
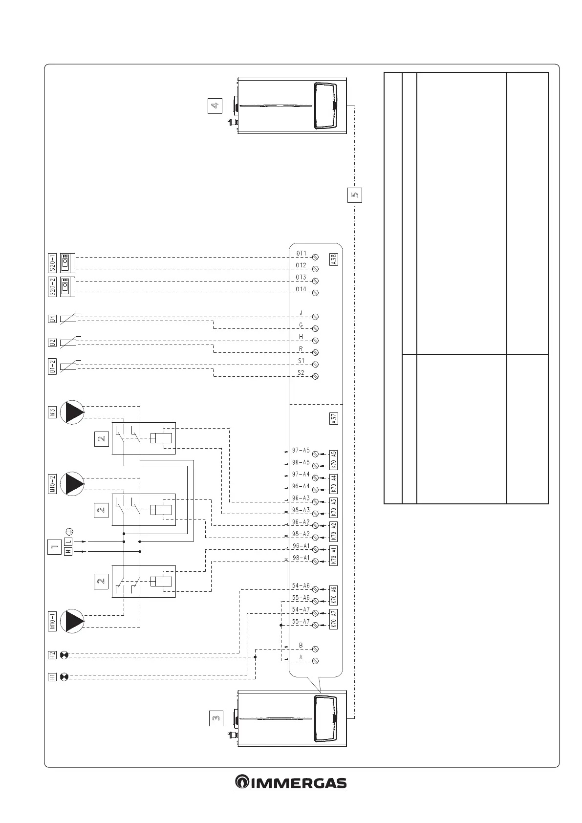
5.13 WIRING DIAGRAM TWO DIRECT HEATING ZONES AND DHW PUMP  OPENTHERM
Key:
A37 - Connection sheet (loads)
A38 - Connection card (signals)
B1-2 - System ow probe (NTC) (optional)
B2 - Domestic hot water probe (NTC) (optional)
B4 - External probe (NTC) (optional)
H1 - “ERROR" warning light (230 Vac) (optional)
H2 - “Burner on” indicator light (230 Vac) (optional)
M3 - DHW pump (optional)
M10-1 - Zone 1 pump (optional)
M10-2 - Zone 2 circulator pump (optional)
S20-1 - Zone 1 room thermostat (optional)
S20-2 - Zone 2 room thermostat (optional)
1 - 230 Vac - 50 Hz
2 - External relay (optional) - Coil 230 Vac Max. 0.1 A
3 - Master appliance
4 - Slave appliance (last boiler)
5 - Simple cascade appliance communication BUS
(make connections as per specic diagram)
“HYDRAULIC SETTINGS” PARAMETER CONFIGURATION TABLE ('TECHNICIAN' MENU)
Parameter/menu name Setting
“Relay settings” submenu:
- K70-A1
- K70-A2
- K70-A3
- K70-A4
- K70-A5
- K70-A6
- K70-A7
System pump conguration
- Zone 1 pump
- Zone 2 pump
- Domestic hot water pump:
- Relay not used
- Relay not used
- Burner on
- Error
- not used
- System sensor
- Type of heating request
- DHW request type
- Parallel mode
- Heating + domestic hot water mode
- Room thermostat setpoint
- Sensor
- Disabled
Openerm:
Make sure that the OpenTherm thermostat is
compatible with the appliance
Notes:
See further tables and notes pertaining to this scheme
in section 5.10, "Tables and notes common to simple
cascade wiring diagrams".

Table of Contents

Other manuals for Immergas VICTRIX PRO V2

Related product manuals