EasyManua.ls Logo

Immergas VICTRIX PRO V2 - 5.14 Wiring diagram two direct heating zones and DHW pump - only outdoor temperature climate curve

Immergas VICTRIX PRO V2
60 pages
Print Icon
To Next Page IconTo Next Page
To Next Page IconTo Next Page
To Previous Page IconTo Previous Page
To Previous Page IconTo Previous Page
Loading...
1
2
2
2
3
4
5
6
7
28
41
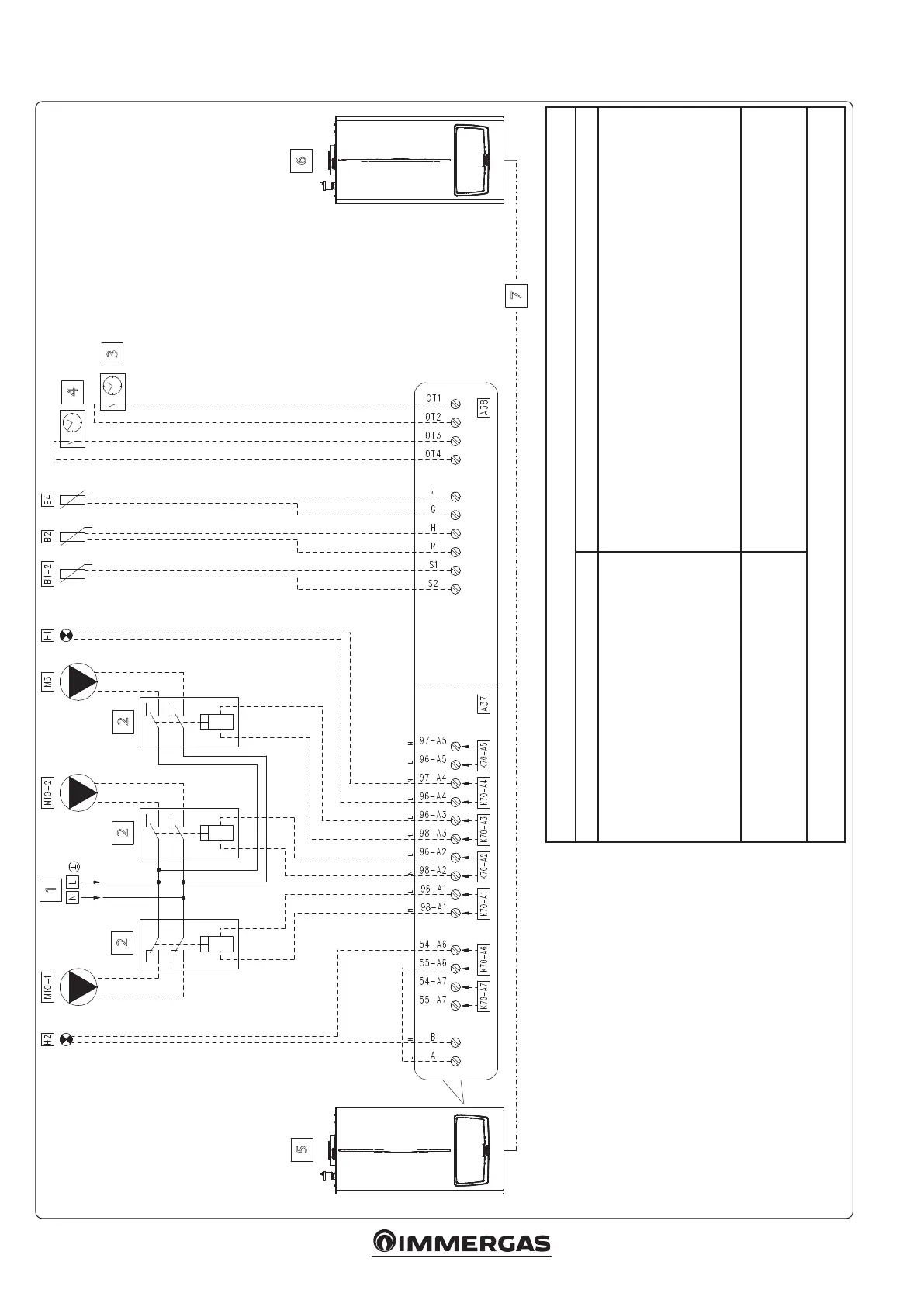
5.14 WIRING DIAGRAM TWO DIRECT HEATING ZONES AND DHW PUMP  ONLY OUTDOOR TEMPERATURE CLIMATE CURVE
Key:
A37 - Connection sheet (loads)
A38 - Connection card (signals)
B1-2 - System ow probe (NTC) (optional)
B2 - Domestic hot water probe (NTC) (optional)
B4 - External probe (NTC) (optional)
H1 - “ERROR" warning light (230 Vac) (optional)
H2 - “Burner on” indicator light (230 Vac) (optional)
M3 - DHW pump (optional)
M10-1 - Zone 1 pump (optional)
M10-2 - Zone 2 circulator pump (optional)
1 - 230 Vac - 50 Hz
2 - External relay (optional) - Coil 230 Vac Max. 0.1 A
3 - Zone 1 programmer clock (optional)
4 - Zone 2 programming clock (optional)
5 - Master appliance
6 - Slave appliance (last boiler)
7 - Simple cascade appliance communication BUS
(make connections as per specic diagram)
“HYDRAULIC SETTINGS” PARAMETER CONFIGURATION TABLE ('TECHNICIAN' MENU)
Parameter/menu name Setting
“Relay settings” submenu:
- K70-A1
- K70-A2
- K70-A3
- K70-A4
- K70-A5
- K70-A6
- K70-A7
System pump conguration
- Zone 1 pump
- Zone 2 pump
- Domestic hot water pump:
- Error
- Relay not used
- Burner on
- Relay not used
- not used
- System sensor
- Type of heating request
- DHW request type
- Parallel mode
- Heating + domestic hot water mode
- Only OTC
- Sensor
- Disabled
Note: when the contact of the programmer clock is closed, the heating setpoint is reduced according to the parameters "Reduction of ECO heating
setpoint zone 1 and "Reduction of ECO heating setpoint zone 2" As an alternative to the programmer clock, use time programming.
Notes:
See further tables and notes pertaining to
this scheme in section 5.10, "Tables and
notes common to simple cascade wiring
diagrams".

Table of Contents

Other manuals for Immergas VICTRIX PRO V2

Related product manuals