EasyManua.ls Logo

IMT 5525

Default Icon
122 pages
To Next Page IconTo Next Page
To Next Page IconTo Next Page
To Previous Page IconTo Previous Page
To Previous Page IconTo Previous Page
Loading...
76
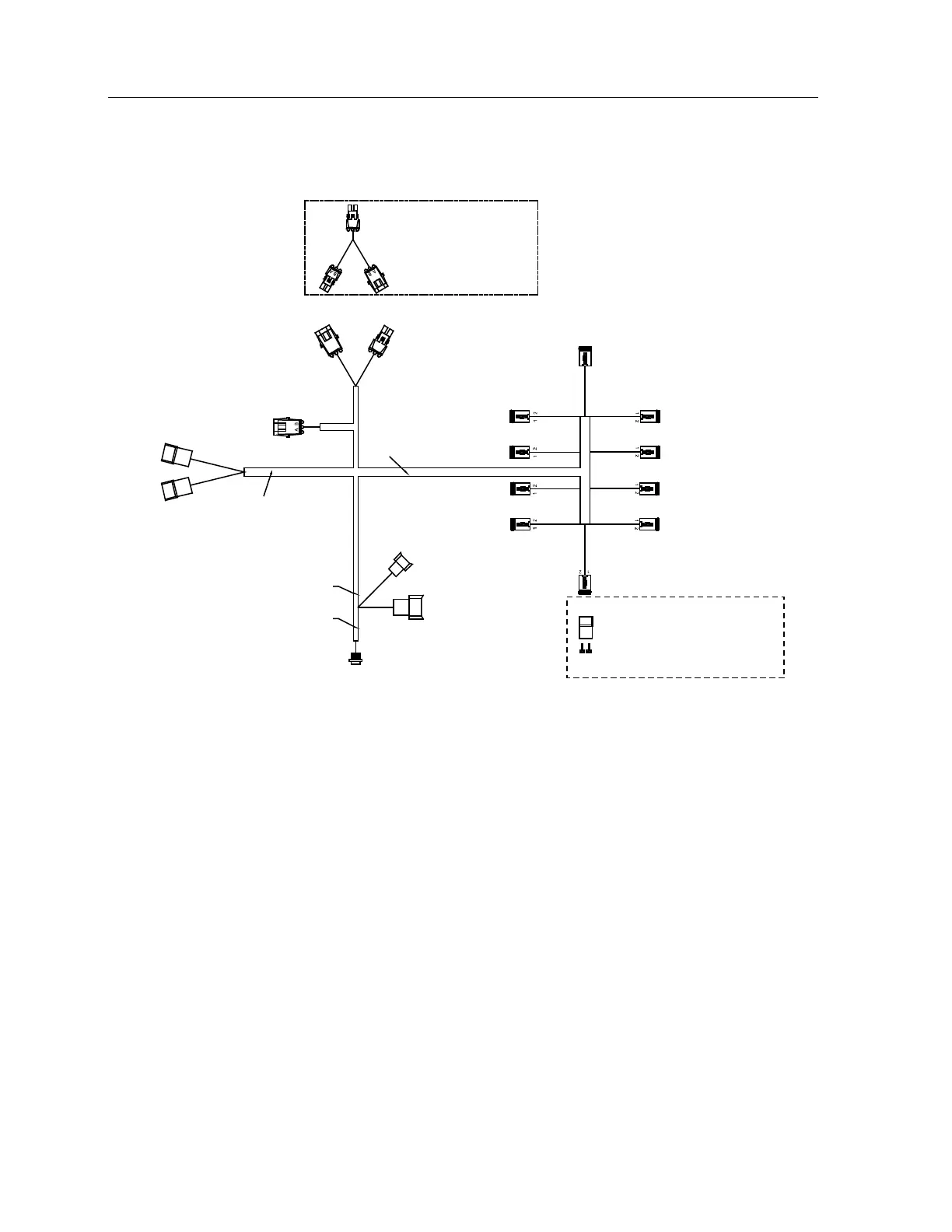
Harness, Valvebank (77441204) (Eff. 8-1-06)
A
B
B
A
1 2
A
B
P1
J10
P13
P10
J13
3500 PSI 3100 PSI
J10
ANTI-TWO
SPLICE B,D,M
SPLICE G
CP-1201
CP-1200
J8
WINCH UP
J6
EXT IN
BOOM UP
J4
ROT CCW
J2
J9
WINCH DN
J7
EXT OUT
BOOM DN
J5
ROT CW
J3
CP-200
PROPORTIONAL
WINCH
BRAKE
J1
77045945 (1)
77044668 (2)
THIS CONNECTOR/PLUG
DRAWING IS FOR REFERENCE
ONLY, TO BE USED WITH
WORM WINCH.
CJ-400
CJ-800
CJ-500
SPLICE J,K,L,N,P
SPLICE C
77441191 (1)
THIS JUMPER HARNESS
DRAWING FOR REF ONLY.

Table of Contents

Other manuals for IMT 5525

Related product manuals