EasyManua.ls Logo

iNetVu 1500 - Inetvu TM 1800 Mobile Platform Base Dimensions

Default Icon
93 pages
Print Icon
To Next Page IconTo Next Page
To Next Page IconTo Next Page
To Previous Page IconTo Previous Page
To Previous Page IconTo Previous Page
Loading...
iNetVu
®
Mobile Installation Manual Page 32 of 93
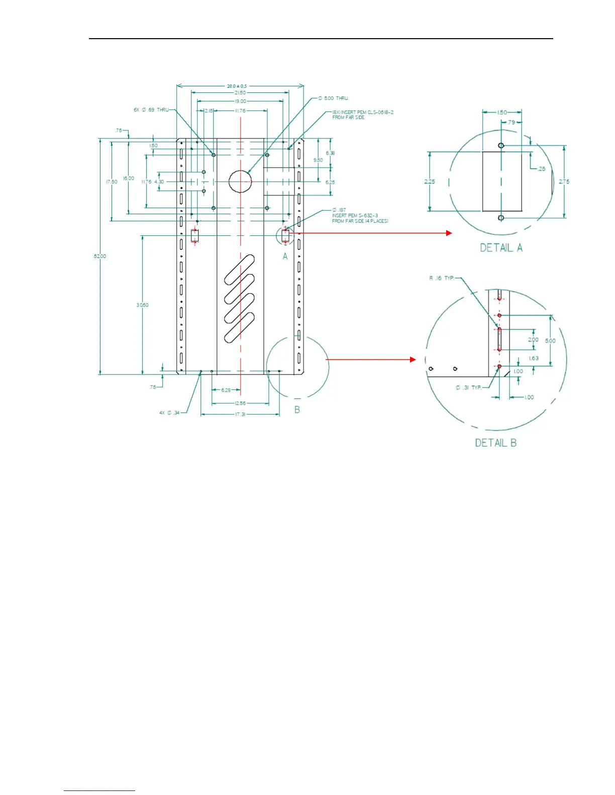
3.5.8 iNetVu
TM
1800 Mobile Platform Base Dimensions
Fig. 13: iNetVu® 1800 Mobile Platform CAD Drawing

Table of Contents

Related product manuals