EasyManua.ls Logo

INVT Goodrive35 Series - Page 147

INVT Goodrive35 Series
298 pages
Print Icon
To Next Page IconTo Next Page
To Next Page IconTo Next Page
To Previous Page IconTo Previous Page
To Previous Page IconTo Previous Page
Loading...
Goodrive35 Series Closed-loop Vector Control VFD Basic operation instruction
140
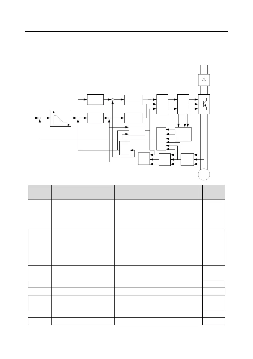
Because the vector control calculation is very complicated, high technical theory is needed for the
user during internal autotune. It is recommended to use the specific function parameters in vector
control with cautions.
Calculate i
m
ACR
Excitation
current
Flux
linkage
observa
tion
Current
detection
Position
observation
Speed
identifi
cation
Voltage
detection
ACR
Torque
current
Calculate i
T
Park
change
PWM
pulse
Rectifier
bridge
Inverter
bridge
Motor
Park
change
Clark
change
φ
+
-
+
-
+
-
U
V
U
W
Uu
i
U
i
V
i
W
U
V
U
W
Uu
i
M
i
T
1w
r
1w
r
φ
i
T
R S T
Function
code
Name
Detailed instruction of parameters
Default
value
P00.00
Speed control mode
0: Sensorless vector control mode 1
1: Sensorless vector control mode 2
2: SVPWM control
3: Closed-loop vector control mode
2
P00.15
Motor parameter autotuning
0: No operation
1: Rotation autotuning
2: Static autotuning 1 (autotune totally)
3: Static autotuning 2 (autotune part
parameters)
0
P02.00
Motor type 1
0: Asynchronous motor
1: Synchronous motor
1
P03.00
ASR proportional gain1
0200.0
16.0
P03.01
ASR integral time1
0.00010.000 s
0.200 s
P03.02
Low-point frequency for
switching
0.00 HzP03.05
5.00 Hz
P03.03
ASR proportional gain 2
0200.0
10.0
P03.04
ASR integral time 2
0.00010.000 s
0.200 s

Table of Contents

Related product manuals