EasyManua.ls Logo

Kaba access manager 92 30 - Page 61

Kaba access manager 92 30
89 pages
To Next Page IconTo Next Page
To Next Page IconTo Next Page
To Previous Page IconTo Previous Page
To Previous Page IconTo Previous Page
Loading...
Technical Manual Installation
6104045376 - 05/2016Kaba access manager 92 30
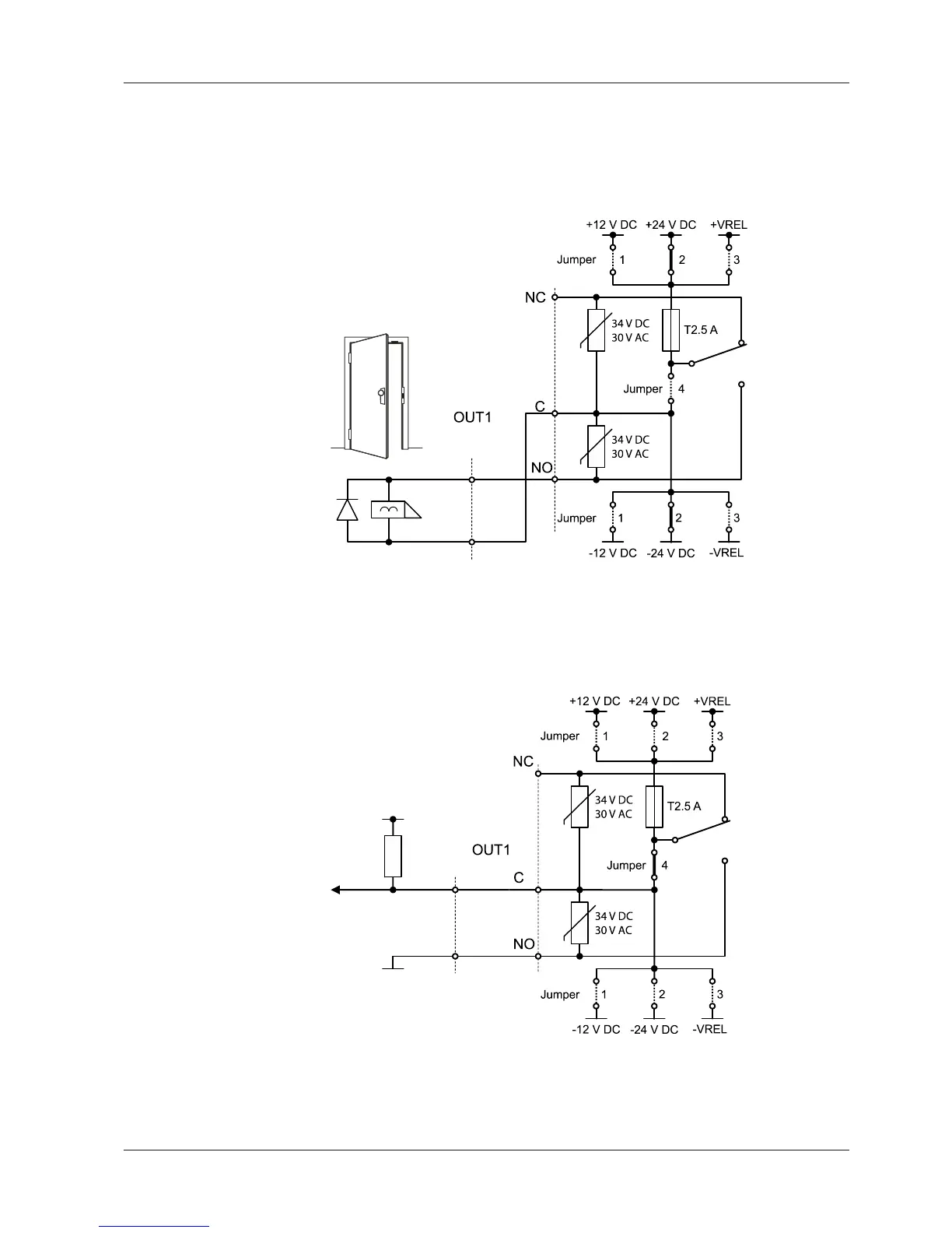
5.7.8.6 Examples
Example 1
Connection of a door opener with 24 V DC power supply to OUT1.
Only jumper pair 2 is set. All other jumpers may not be set.
Example 2
Potential-free control of a digital input via OUT1.
Only jumper 4 is set. All other jumpers may not be set.

Table of Contents

Related product manuals