EasyManua.ls Logo

Keyscan CA250B - Figure 80 - Indala PX 620 Wiring

Default Icon
140 pages
Print Icon
To Next Page IconTo Next Page
To Next Page IconTo Next Page
To Previous Page IconTo Previous Page
To Previous Page IconTo Previous Page
Loading...
Keyscan Inc. Technical Guide (PC109x - 04.15)
115
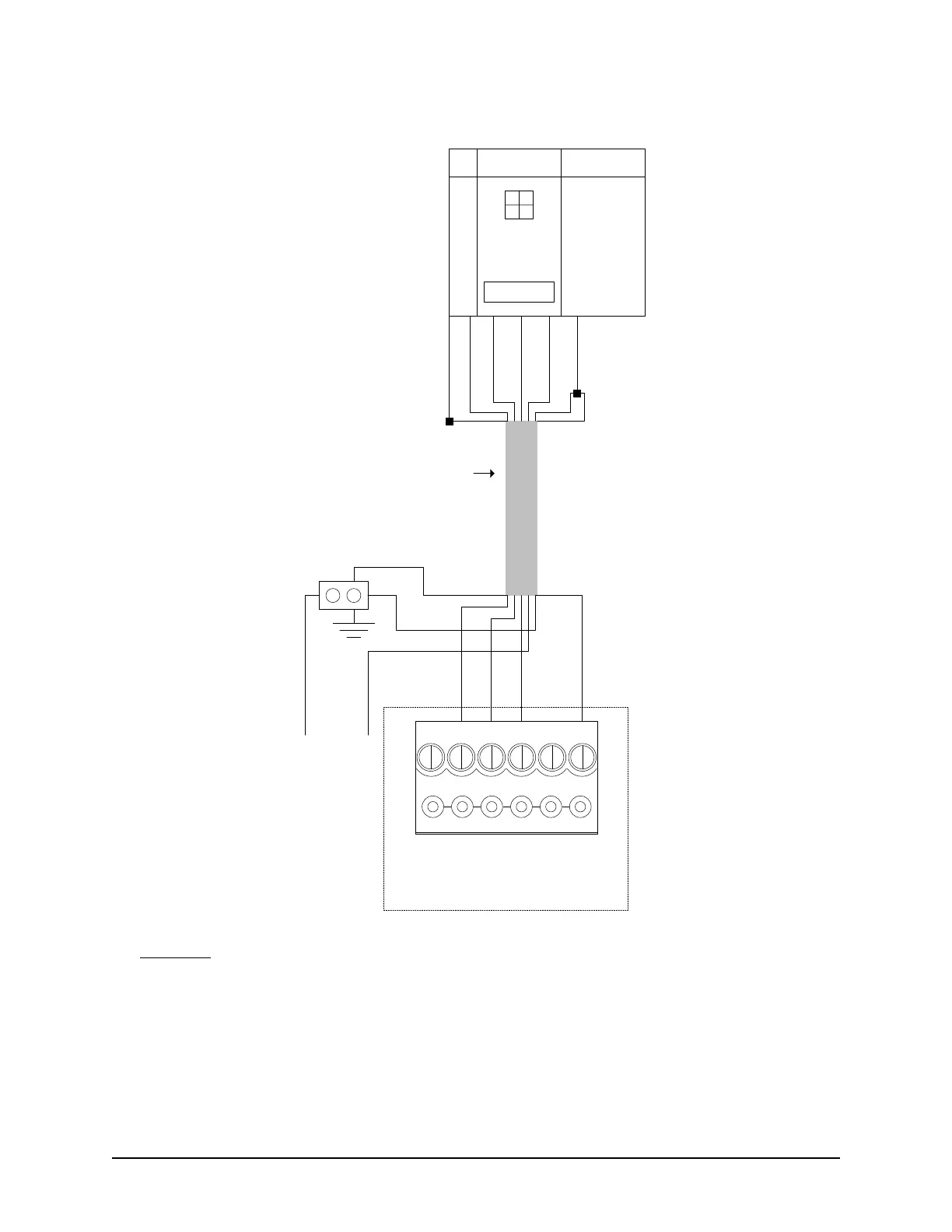
Figure 80 Indala PX 620 Wiring
Important
Do not mount an Indala PX 620 reader in an elevator car. The environment is unsuitable and causes the
reader to malfunction.
The PX 620 is factory tuned. If a PX 620 requires tuning, tune only once. Excessive tuning may
permanently damage the reader. Refer to the Indala documentation for instructions on tuning.
Brown
White
Green
Red
Black 1 & 2
Shield
Shield
ACU Ground
Lug
White
Green
Red +
Black 2
Brown
Black 1
Black -
to
separate
DC
power
supply
PX 620
24 VDC
6 conductors shielded 18 AWG
Maximum - 500 ft (152.4 m)
Reader terminal on control board
LED D1
WHT
D0
GRN
PWR
RED
GND
BLK
C1
(BEEP)
KI-00212E-07-11

Table of Contents