EasyManua.ls Logo

Komatsu 830E - Page 387

Komatsu 830E
783 pages
Print Icon
To Next Page IconTo Next Page
To Next Page IconTo Next Page
To Previous Page IconTo Previous Page
To Previous Page IconTo Previous Page
Loading...
J06020 Rockwell Armature Speed Rear Disc Brakes J6-7
NOTE: If desired, installation of brake housing
components may be temporarily withheld to perform a
“Functional Test”.
8. Install all fittings with new packings into correct
position in brake housings.
9. For ease of brake caliper installation, do not
install linings and retaining plates in calipers.
“Bench Test” should be performed on brake cali-
pers before installation.
FUNCTIONAL TEST OF PISTON ASSEMBLY
NOTE: Perform functional test prior to disassembling
piston assembly to determine if any components
require replacement. To assure proper operation, also
perform functional test prior to installing piston
assembly in caliper housing, if disassembled.
Return Spring Force
Return spring (14, Figure 6-7) captured between outer
spring guide (8) and spring retainer (5), exerts a return
force, through spring retainer (5) and threaded retain-
ing ring (4) on piston (11). With brake applied (spring
compressed to a minimum height) return spring force
should be between 180-250 lb. (800-1112 N).
Built-In Clearance
This is the amount piston will retract when brake pres-
sure is released. Piston is retracted by force of piston
return spring (14, Figure 6-7). Required built- in clear-
ance is 0.065-0.073 in. (1.65-1.85 mm), obtained by
the setting of threaded retaining ring (4).
1. The piston subassembly can be inspected for
required return spring force and built-in clearance
adjustment at the same time. Use the set-up on a
spring checker as shown in Figure 6-8.
2. Set up dial indicator between arbor of spring
checker and table.
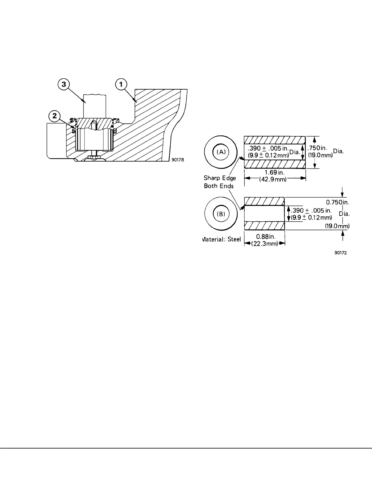
3. Place sleeve (A, Figure 6-6) over return pin,
lower arbor and fully compress spring (indicator
pointer will stop moving).
4. With spring compressed, set indicator dial to
zero.
5. Raise arbor slowly until spring checker force
scale reads zero. Reading on indicator dial will be
the built-in clearance which should be 0.055-
0.073 in. (1.65-1.85 mm).
6. Lower arbor slowly until dial indicator reads zero.
Reading on spring checker force scale will now
indicate the return spring force which should be
180-250 lbs. (808-1112 N) force.
7. Slowly raise and lower arbor several times to ver-
ify both built-in clearance and spring force mea-
surements. If measurements are outside this
range, remove lockwire (15, Figure 6-7), lower
arbor until spring is fully compressed, screw
threaded retaining ring clockwise until bottomed
(a spanner wrench is recommended for this) then
back off one full turn (minimum), plus any addi-
tional amount to reach the next locking position,
raise arbor and install lockwire. Recheck for cor-
rect built-in clearance adjustment by repeating
Steps 3, 4 & 5).
FIGURE 6-5. PISTON INSTALLATION
(Retracted Position)
1. Brake Housing
2. Piston Assembly
3. Arbor Press
FIGURE 6-6. GRIP SPACE AND INSTALLATION
SLEEVES

Table of Contents

Other manuals for Komatsu 830E

Related product manuals