EasyManua.ls Logo

Komatsu 830E - Page 469

Komatsu 830E
783 pages
Print Icon
To Next Page IconTo Next Page
To Next Page IconTo Next Page
To Previous Page IconTo Previous Page
To Previous Page IconTo Previous Page
Loading...
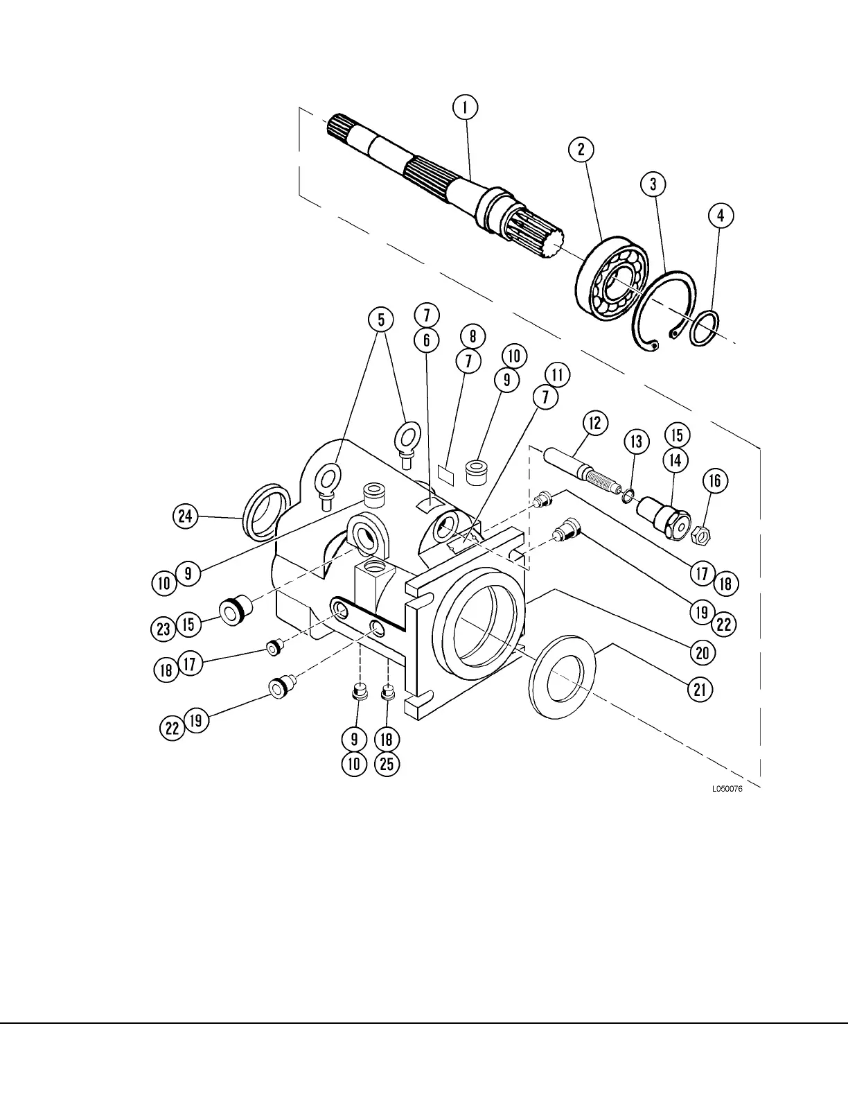
L05026 Steering Component Repair L5-25
FIGURE 5-22. PUMP, FRONT HOUSING
1. Shaft
2. Bearing
3. Snap Ring
4. Retainer Ring
5. Lifting Eyes
6. Name Plate
7. Screw, Drive
8. Name Plate
9. Plug
10. O-Ring
11. Plate
12. Adjusting Screw
13. O-Ring
14. Gland
15. O-Ring
16. Jam Nut
17. Pin
18. O-Ring
19. Pin
20. Housing
21. Seal Retainer
22. O-Ring
23. Plug
24. Seal
25. Plug

Table of Contents

Other manuals for Komatsu 830E

Related product manuals