EasyManua.ls Logo

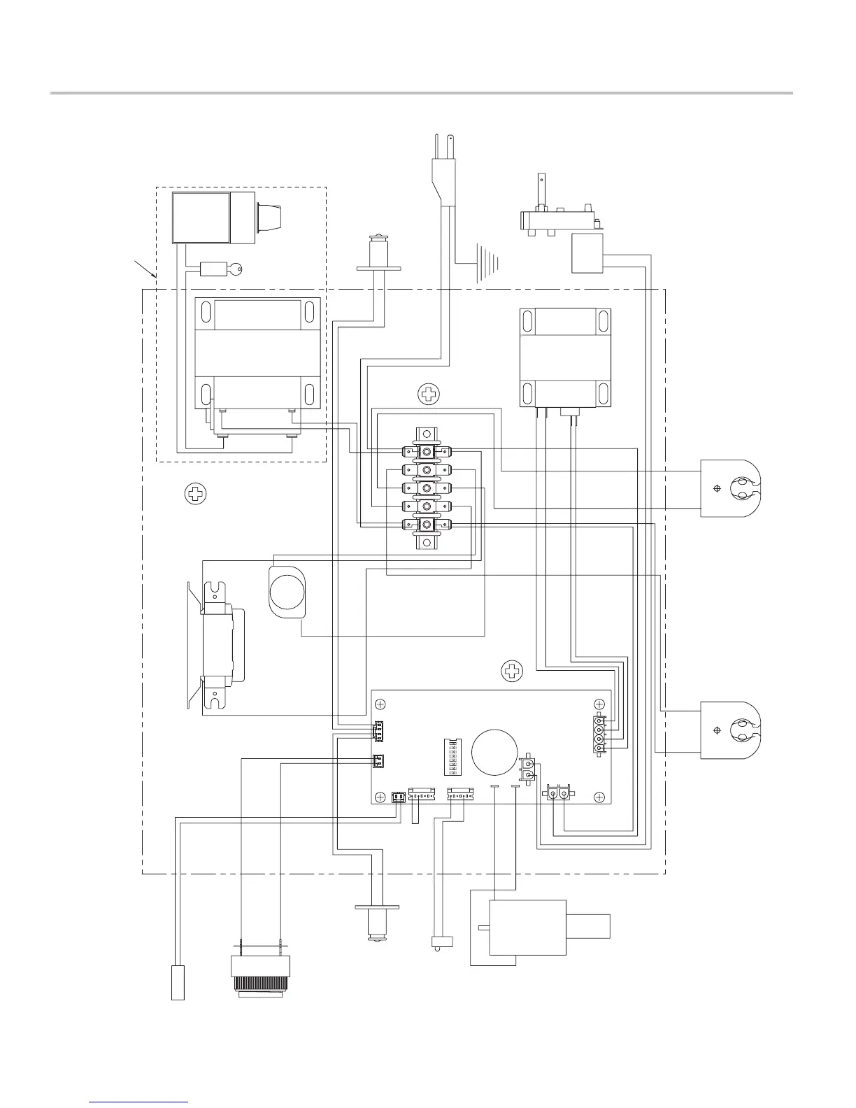
lancer IBD 22 - Wiring Diagram - 115 Volt

lancer IBD 22
40 pages
Print Icon
To Next Page IconTo Next Page
To Next Page IconTo Next Page
To Previous Page IconTo Previous Page
To Previous Page IconTo Previous Page
Loading...
37
Wiring Diagram - 115 Volt / 60 Hz
GREEN
WHITE
BLUE
YEL
RED
WHITE
BLACK
RED
BLACK
WHITE
BLACK
BLACK
BLACK
BLACK
BLACK
BLACK
WHITE
BLACK
BLACK
WHITE
WHITE
BLACK
BLACK
BLACK
WHITE
BLACK
WHITE
DISPENSE
SWITCH
BLACK
RED
VALV E
SOLENOID
J7
J3
RED
BLUE
BLACK
WHITE
WHITE
BLACK
FRONT
FRONT
BACK
BACK
J6J5J4
J8
J1
J2
ICE
DOOR
TRAP
ALARM
LOW
ICE
LIGHT
ICE
LOW
WIRING DIAGRAM FOR LANCER ICE DISPENSER WITH LOW ICE SENSING (TYP.)
5876
ON
1342
NOTE:
PREMIX DISPENSERS
NOT USED ON
ELECTRICAL BOX BOUNDARY
LOW ICE SENSOR
LOW ICE SENSOR
EMITTER
DETECTOR
MOTOR

Table of Contents

Other manuals for lancer IBD 22

Related product manuals