EasyManua.ls Logo

lancer IBD 22 - Wiring Diagram - 230 Volt

lancer IBD 22
40 pages
Print Icon
To Next Page IconTo Next Page
To Next Page IconTo Next Page
To Previous Page IconTo Previous Page
To Previous Page IconTo Previous Page
Loading...
3838
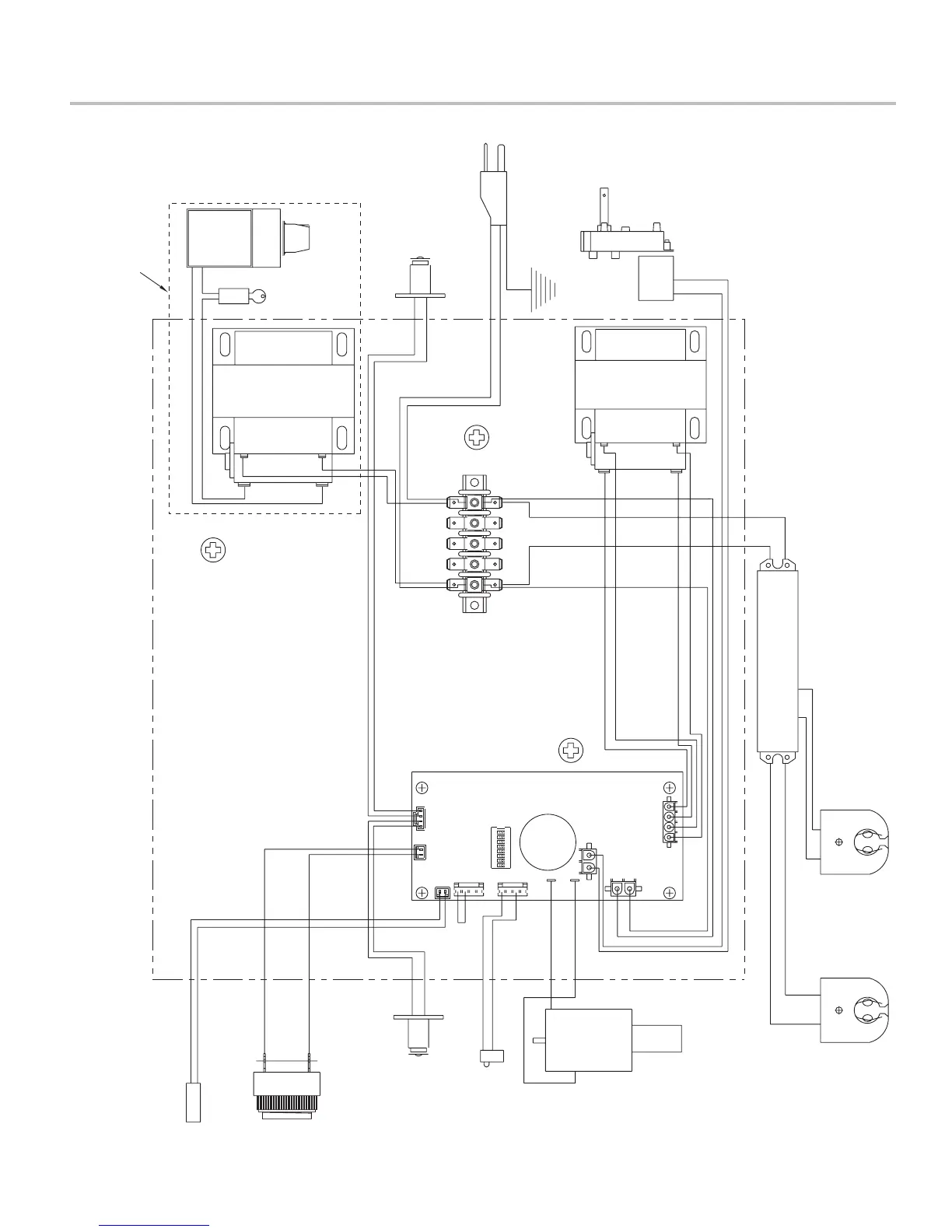
Wiring Diagram - 230 Volt / 50-60 Hz
GREEN
WHITE
BLACK
BLACK
WHITE
BLACK
BLUE
BLACK
RED
RED
YEL
BLACK
WHITE
WHITE
WHITE
BLACK
BLACK
BLACK
WHITE
WHITE
BLACK
SWITCH
DISPENSE
J3
SOLENOID
J7
BLUE
WHITE
BLACK
RED
RED
BLACK
BLACK
WHITE
VALV E
BLUE
BLUE
RED
RED
ICE
J6J5
J4
J8
J1
J2
DOOR
TRAP
LIGHT
ICE
LOW
ALARM
LOW
ICE
WIRING DIAGRAM FOR LANCER ICE DISPENSER WITH LOW ICE SENSING (TYP.)
ON
62431578
ELECTRICAL BOX BOUNDARY
DETECTOR
MOTOR
EMITTER
LOW ICE SENSOR
NOTE: NOT USED ON
PREMIX DISPENSERS

Table of Contents

Other manuals for lancer IBD 22

Related product manuals