EasyManua.ls Logo

Lenze 9325 - Page 176

Lenze 9325
524 pages
Print Icon
To Next Page IconTo Next Page
To Next Page IconTo Next Page
To Previous Page IconTo Previous Page
To Previous Page IconTo Previous Page
Loading...
Function block library
7-59
SHB9300CRV EN 2.0
Byte 5, 6, 7 and 8
The meaning of these user data can be selected among different signal types. Depending on the
requirement, up to two analog signals, 32 digital signals of the function block FDO or a phasesignal
can be selected.Mixed forms are also possible.
Example:
16 digital signals and one analog signal are to be output.
The digital signals are output by the function block FDO. The bits 16 to 31 areto be output. For this,
set C0865/1 = 1. These bits are output on byte 7 and 8.
This means that the analog signal is lead via CAN-OUT1.W2. For this, set C0864/1 = 0. These bits
areoutput on byte5 and 6. Ananalogsignalsourceis assigned tothe inputunder configurationcode
C0860/2.
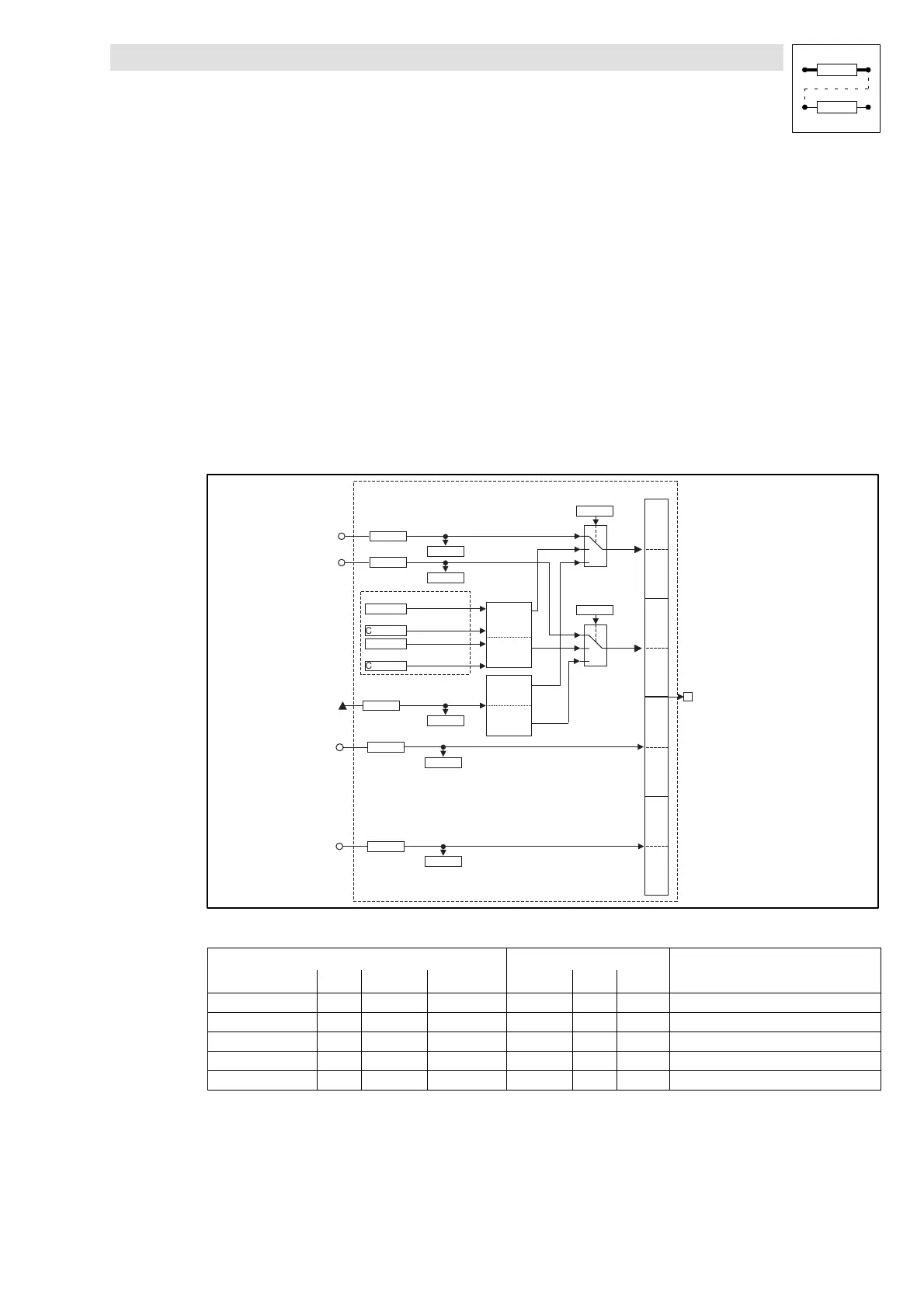
CAN-OUT2
The process data object CAN-OUT2 is provided for the event-driven transmission of process data
and for communication among the controllers. Decentralized outputs can also be accessed.
CAN-OUT2
Byte 1,2
Bit 0
Bit 15
Bit 0
Bit 31
B y te 7 ,8
B y te 5 ,6
System bus
term inals
X4
B y te 3 ,4
1
0
2
C 0865/2
1
0
2
C 0864/2
CAN-OUT2.D1
16 Bit
Low W ord
16 Bit
H igh W ord
C 0861/2
16 Bit
Low W ord
16 Bit
H igh W ord
C 0869/2
FDO -0
FDO -15
...
CAN-OUT2.W 1
C 0860/4
CAN-OUT2.W 2
C 0860/5
C 0868/4
C 0868/5
FDO
C 0116/1
C 0116/16
FDO -16
FDO -31
...
C 0116/17
C 0116/32
Bit 0
Bit 15
CAN-OUT2.W 3
C 0860/6
CAN-OUT2.W 4
C 0860/7
C 0868/6
C 0868/7
Bit 15
Fig. 7-48 System bus (CAN-OUT2)
Signal
Source Note
Name Type DIS DIS format CFG List Lenze
CAN-OUT2.W1 a C0868/4 dec [%] C0860/4 1 1000 +100 % = +16384
CAN-OUT2.W2 a C0868/5 dec [%] C0860/5 1 1000 +100 % = +16384
CAN-OUT2.W3 a C0868/6 dec [%] C0860/6 1 1000 +100 % = +16384
CAN-OUT2.W4 a C0868/7 dec [%] C0860/7 1 1000 +100 % = +16384
CAN-OUT2.D1 ph C0869/2 dec [inc] C0861/2 4 1000 1 revolution = 65536
Function
The input signals of this function block are copied to the 8 byte user data of CAN object 2 and laid
on the system bus. The meaning of the user data can be determined very easily with C0864/2 and
C0865/2 and the corresponding configuration code (CFG).
Show/Hide Bookmarks

Table of Contents

Related product manuals