EasyManua.ls Logo

Lenze 9325 - Page 499

Lenze 9325
524 pages
Print Icon
To Next Page IconTo Next Page
To Next Page IconTo Next Page
To Previous Page IconTo Previous Page
To Previous Page IconTo Previous Page
Loading...
ANEG1
∗(−1)
ANEG 1-O UT
ANEG 1-IN
C 0701
C 0700
62
AOUT1
C 434/1
+
+
AOUT1-IN
AOUT1-G AIN
AOUT1-O FFSET
C0434/3
C0434/2
C0431
C0433
C0432
X6
63
AOUT2
C 439/1
+
+
AOUT2-IN
AOUT2-G AIN
AOUT2-O FFSET
C 0439/3
C 0439/2
C0436
C0438
C0437
X6
E1
E2
E3
E4
E5
1
0
C 0114/1...5
DIGIN
DIGIN1
DIGIN2
DIGIN3
DIGIN4
DIGIN5
C 0443
28
D C TR L -X 5/28
X5
DIGIN-CINH
1
A1
A2
A3
A4
1
0
C 0118/1...4
DIGOUT
DIGOUT1
DIGOUT2
DIGOUT3
DIGOUT4
C0117/1
C0117/2
C0117/3
C0117/4
C 0444/4
C 0444/3
C 0444/2
C 0444/1
X5
1
C 1477/1
C 0472/3
C 0472/2
DCTRL-CINH
C 0472/1
C 1476/1
Fixed 100 %
Fixed 1
Fixed 100%
C 1477/2
C 0472/4
C 0108/2
C 0109/2
C 0108/1
C 0109/1
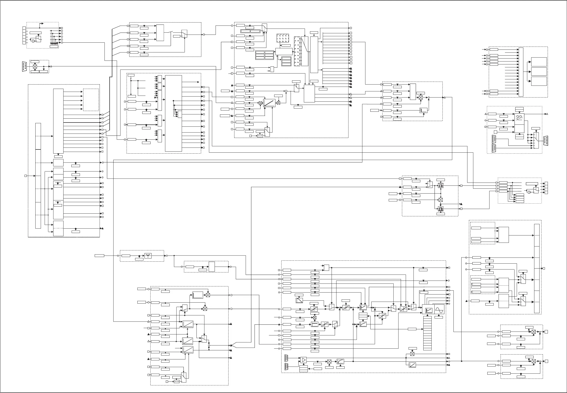
Servo cam profiler 9300
Configuration 10005
k10005e.ds4
21.09.98 M . Funk
C 135.B3
AIF-CTRL.B3
CAN-CTRL.B3
≥1
C 0870/2
DCTRL-CINH1
C 0878/1
C 0870/1
C 0871
DC TR L-TR IP-SET
C 135.B8
AIF-CTRL.B8
CAN-CTRL.B8
≥1
C 135.B9
AIF-CTRL.B9
CAN-CTRL.B9
≥1
C 135.B10
AIF-CTRL.B10
CAN-CTRL.B10
≥1
C 135.B11
AIF-CTRL.B11
CAN-CTRL.B11
≥1
C 0876
DC TRL-TR IP-R ESET
DCTRL
QSP
DISABLE
TRIP-SET
TRIP-RESET
CINH
DCTRL-CINH2
C 0878/2
C 0878/3
C 0878/4
X5/28
DCTRL-IM P
DCTRL-CINH
DCTRL-W ARN
DCTRL-M ESS
>
DCTRL-CW /CCW
DCTRL-NACT=0
DC TRL-TR IP
DCTRL-RDY
DCTRL-STAT*1
DCTRL-STAT*2
DCTRL-STAT*4
DCTRL-STAT*8
DCTRL-QSP
≥1
DC TRL-FAIL
D C T R L -IN IT
C 0135
C 0136/1
16
CSEL1
CSEL1-OUT
CSEL1-CAM *1
CSEL1-CAM *2
CSEL1-CAM *4
CSEL1-LO AD
DM UX
CSEL1-EVENT
C 1424/4
C1425/1
C 1424/1
C 1424/2
C 1420
C 1424/3
C 1424/5
C 1425/2
C 1425/3
C 1425/4
C 1425/5
1
0
C1312
CDATA-SEL
CDATA-CYCLE
CDATA-RESET
CDATA-REL-SEL
CDATA-XIN
Data-
memory
C 1300
Data-
evaluation
0
1
2
3
4
5
6
7
Kurve
CTRL
C 1309
CDATA-BUSY-LO AD
CDATA-BUSY-LENX
CDATA-CHK-ERR
CDATA-X0
CDATA-X<0
CDATA-X>XM AX
CDATA-SEC1
CDATA-SEC2
CDATA-ACTLEN
CDATA-LEN1
CDATA-LEN2
CDATA-LEN3
CDATA-LEN4
CDATA-LEN5
CDATA-ACTCAM
CDATA
In te r-
polation
CDATA-XO FFS
CDATA-XRESET
CDATA-DFIN
CDATA-XFACT
CDATA-X-TP
+
0
1
X5/E5
CDATA-XPO S
CDATA-YO UT
CDATA-NOUT
CDATA-LOAD
&
RSP
CDATA-HOLD
C1311
C 1301/X
C 1303/X C 1304
C 1305/X C 1306
C 1313 C 1313
C 1332
C1333
C 1314
C 1323/8
C0429
C 1315/X
C 1316/X
C 1320/2
C 1320/3
C 1321/2
C 1321/3
C 1322/6
C 1322/1
C 1322/2
C 1322/7
C 1322/3
C 1322/4
C 1322/5
C 1323/6
C 1323/1
C 1323/2
C 1323/7
C 1323/3
C 1323/5
C 1324/2
C 1324/3
C 1325/2
C 1325/3
C 1323/4
C 1326/1
C 1327/1
CDATA-SEC3
CDATA-SEC4
CDATA-SEC5
CDATA-YEND
CDATA-X-TP/E5
C 1322/8
CDATA-N-SYNCH
C1317
C 1334
CDATA-TP-POS
C 1324/3
C 1325/3
0
1
C 0156/1
STAT.B0
STAT.B2
STAT.B3
STAT.B4
STAT.B5
STAT.B14
STAT.B15
DCTRL-IM P
STAT
DCTRL-W ARN
DCTRL-M ESS
DCTRL-NACT=0
C 0156/2
C 0156/3
C 0156/4
C 0156/5
DCTRL-STAT*1
DCTRL-STAT*2
DCTRL-STAT*4
DCTRL-STAT*8
0
1
2
3
4
5
6
8
9
DCTRL-CINH
7
10
11
12
13
14
15
C 0156/6
C 0156/7
AIF-
Statusw ord
C 0150
CAN-OUT1-
Statusw ord
YSET1
YSET1-OUT
C1357/1
YSET1-O FFS
C 1356/1
C1353/1
YSET1-FACT
C 1352/1
C 1359/1
YSET1-IN
C1358/1
+
C1350
C1355/1
YSET1-RESET
C 1354/1
C 1359/2
YSET1-IN-SYNC H
C1358/2
CTRL
C 1355/2
YSET1-SYNCH
C1354/2
1
0
C0105
C0254
+
-
C0908
C 0070
C 0071
+
-
1
+
1
0
C 0022
C 0081
C 0087
C 0088
C 0089
C 0090
C 0091
PW M
C 0420
C 0490
C 0495
M CTRL-PHI-SET
MCTRL-N2-LIM
MCTRL-M-ADD
MCTRL-PHI-LIM
MCTRL-PHI-ON
C0906/2
M CTRL-N-SET
VECT-CTRL
M CTRL-NSET2
MCTRL
MCTRL-NACT
M CTRL-PHI-ACT
C 0906/6
C0906/1
MCTRL-MSET2
MCTRL-N/M-SW T
1
0
MCTRL-HI-M-LIM
M C T R L -L O -M -L IM
C0051
+
C0050
C0018
C 0006
C 0084
C 0085
C0086
C0025
MCTRL-MMAX
MCTRL-IMAX
C 0909
C0011
±100%
C 0056
C 0072
C0906/5
C0907/1
M C TR L-FLD-W EAK
C0906/7
MCTRL-I-SET
C0906/8
MCTRL-I-LOAD
C0907/4
MCTRL-QSP
C0907/3
C0907/2
C0906/3
C0906/4
C0893
C0892
C0899
C0900
C0902
C0901
C0890
C0894
C0895
C0897
C 0896
C0891
C0898
MCTRL-QSP-OUT
RESOLVER
ENCODER
DCTRL-QSP
≥1
MCTRL-MACT
M C TRL-D C V O LT
C 0042
M CTRL-PHI-ANA
CONST
+
+
C 0497
X7
X8
M CTRL-PHI-ANG
C 0075
C 0076
C 0077
C 0078
M CTRL-P-ADAPT
C0906/9
C0903
MCTRL-IACT
Speed
lim ita tio n
Speed controller
Torque-
lim ita tio n
Q SP-decelaration ram p
A ctual speed
Phase controller
C u rre n t
controller
M CTRL-PHI-ACT
1
0
1
0
C 1347/1
CCTRL-IN
C 1346/1
C 1347/2
CCTRL-NSET2
C 1346/2
C 1343/3
CCTRL-N2-SET
C 1342/3
C 1341/1
CCTRL-NRED
C 1340/1
C 1341/2
CCTRL-M RED
C 1340/2
C 1343/1
CCTRL-RESET
C 1342/1
CCTRL-M OUT
CCTRL-NOUT
CCTRL-PHI-SET
CCTRL-POUT
CCTRL-PHI-ACT
CCTRL
-
CC TRL-TPIN
0
1
X5/E4
C 0430
C 1342/2
C 1343/2
C 1345/1
CCTRL-YEND
C 1344/1
C1343/5
CCTRL-SUB-Y-END
C1342/5
CCTRL-PHI-SET2
C 1342/4
C1343/4
CC TRL-TPIN /E4
C1345/2
CC TRL-TP-PO S
C 1344/2
C 1380/1
C1389/1
CERR1
CERR1-ERR
CERR1-PHI-IN
C1389/2
C 1388/1
C 1388/2
CERR1-W ARN
CERR1-LIM
CERR1-W FAC
CERR1-DISABLE
C 1380/2
1
0
0
C1387/1
C 1386/1
C1385/1
C 1384/1
CERR1-W -LIM
C 0472/10
ABS1
ABS1-O UT
ABS1-IN
C 0662
C 0661
DCTRL-CW /CCW
MCTRL-IMAX
DCTRL-RDY
MCTRL-MMAX
CERR1-ERR
DC TRL-TR IP
CDATA-X0
B4
B1
B2
B6
B0
16 Bit
16 Bit
CAN-IN1.W 2
CAN-IN1.W 3
16 Binär-
signale
16 Bit
Low W ord
16 Bit
H igh W ord
16 Binär-
signale
16 Bit
CAN-IN1.W 1
CAN-IN1.B15
CAN-IN1.B0
CAN-IN1.D1
CAN-CTRL.B12
CAN-CTRL.B13
CAN-CTRL.B14
CAN-CTRL.B15
B y te 3 ,4
B y te 5 ,6
B y te 7 ,8
Sytem bus
X4
CAN-IN1
Bit 0
Bit 15
Steuerw ort
CAN-CTRL.B0
CAN-CTRL.B1
CAN-CTRL.B2
CAN-CTRL.B4
CAN-CTRL.B5
CAN-CTRL.B6
CAN-CTRL.B7
DCTRL
QSP
CAN-CTRL.B3
DISABLE
CAN-CTRL.B8
CINH
CAN-CTRL.B9
TRIP-SET
CAN-CTRL.B10
TRIP-RESET
CAN-CTRL.B11
CAN-IN1.B14
CAN-IN1.B2
CAN-IN1.B31
CAN-IN1.B16
CAN-IN1.B30
CAN-IN1.B17
16 Bit
......
C 0867/1
C 0866/1
C 0866/2
C 0863/1
C 0863/2
C 0866/3
C 0136/2
CAN-OUT1
Status word
Bit 0
Bit 15
Bit 0
Bit 31
B y te 7 ,8
B y te 5 ,6
System bus-
Klem m en
X4
B y te 3 ,4
1
0
2
C 0865/1
1
0
2
C 0864/1
CAN-OUT1.D1
16 Bit
Low W ord
16 Bit
H igh W ord
C 0861/1
16 Bit
Low W ord
16 Bit
High W ord
C0869/1
FD O -0
CAN-OUT1.W 1
C 0860/1
C0868/1
FD O -15
...
CAN-OUT1.W 2
C 0860/2
CAN-OUT1.W 3
C 0860/3
C0868/2
C0868/3
STAT.B0
DCTRL-IM P
...
STAT.B15
STAT.B14
16 Bit
FDO
C 0116/1
C 0116/16
FDO -16
FDO -31
...
C 0116/17
C 0116/32
Bit 0
Bit 15
C 0156/1
STAT
C 0156/6
C 0156/7
C 0425
DFIN
DFIN-OUT
C 0426
X9
C 0427
C0030
C0540
CTRL
DFOUT-AN-IN
C0547
C 0541
DFOUT-DF-IN
C0549
C 0542
C0548
C 0544
DFOUT-SYN-RDY
DFOUT-OUT
DFOUT
C0545
1
0
2
3
4
5
X8
X9
X10
C 0540
E5X5
C 0430/5
Fixed 100 %
C 1476/16
Fixed 1
Show/Hide Bookmarks

Table of Contents

Related product manuals