EasyManua.ls Logo

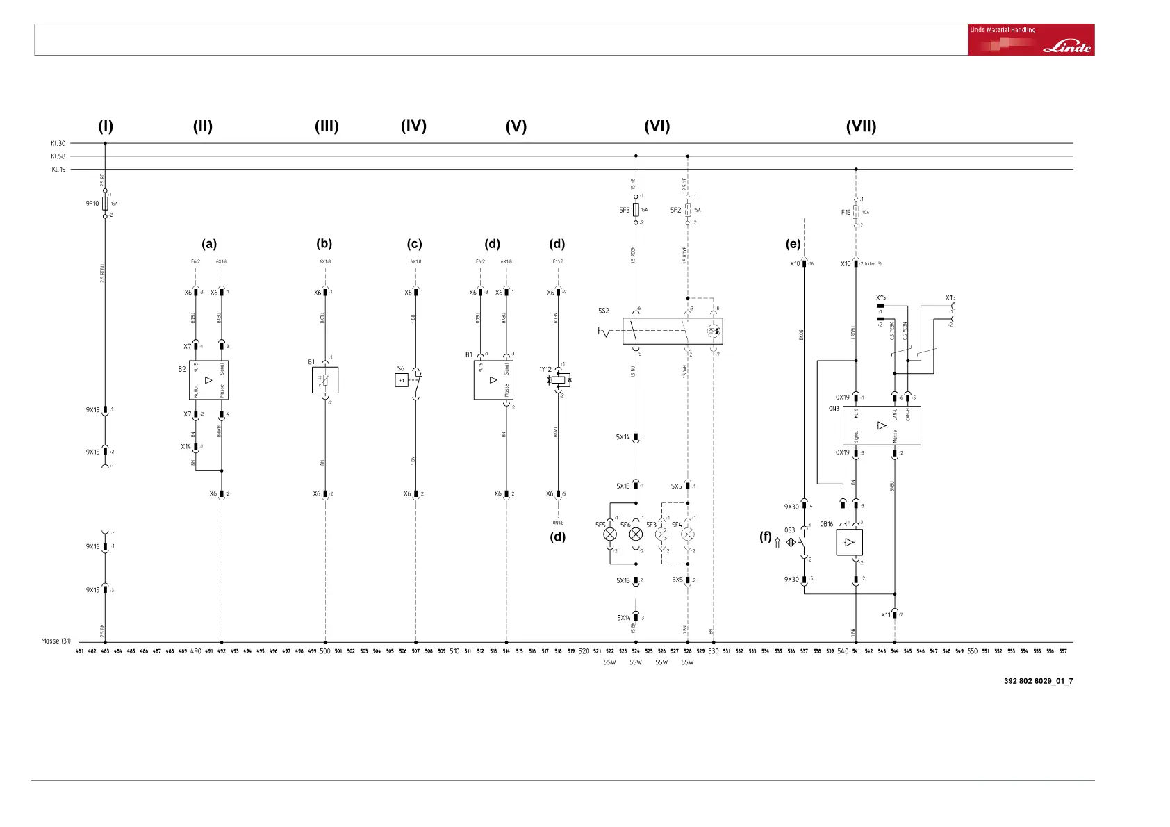
Linde H30D - Special Equipment Sheet 7 − LPG Volume Display, 12 V Socket, Working Headlights Pos. 5 and 6, Coolant and Engine Oil Level Monitoring

Linde H30D
268 pages
Print Icon
To Next Page IconTo Next Page
To Next Page IconTo Next Page
To Previous Page IconTo Previous Page
To Previous Page IconTo Previous Page
Loading...
7 Circuit diagrams
Wiring diagram
Special equipment sheet 7 LPG volume display, 12 V socket, working headlights pos. 5 and 6, coolant and engine oil level monitoring
248 Operating Instructions 393 807 1001 EN 08/2008

Table of Contents

Related product manuals