EasyManua.ls Logo

LNS TRYTON 107 - Page 42

LNS TRYTON 107
111 pages
Print Icon
To Next Page IconTo Next Page
To Next Page IconTo Next Page
To Previous Page IconTo Previous Page
To Previous Page IconTo Previous Page
Loading...
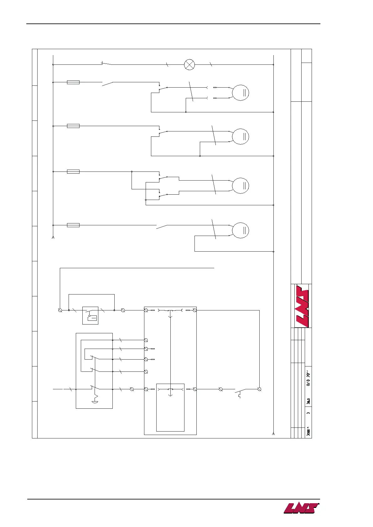
40 CHAPTER 4: ELECTRICS
TRYTON 107/112
0 1
K8 – S11
F7/4
X3-T5
Brown
3W1
4 x 0.5 
SQ10
STP
3W1
4 x 0.5 
Bu
Brown
X3-T1
X2-T8
LATHE EMERGENCY
STOP
INTERFACE
112-40-7..
X2-T11
KA2
KA3A
KA3R
KA4
K22
Bn
Ye Ye Bu
X3-T4
(3)
K3 R1
(4)
FU1
5AT
FU2
5AT
FU3
5AT
FU4
1A
2 3 4 5
24V F1/10
6 7 8 9 10
F3/0
(Bu) (Bn)
X2-T9
X2-T10
1W5
2 x 0.5 
4
(Bn)
X3-T2
K8 - S12
F7/5
F1/1 QM1
1W2
2 x 0.5 
(Bu) (Bn)
1W3
2 x 0.5 
(Bu) (Bu)
1W4
2 x 0.5 
(Bn)
5 Bu
H1
M2 M3
X3-T3
F1/10 0V/OUT
Safety line
H Added option production control page 2 + 6 15.01.2016
G Crossed wire Black and White on SR2
F
Rev.
Added arc suppressor Z1 on KM1A
Description
DE
19.08.2015 DE
23.06.2015 DE
Date To
ELECTRICAL DIAGRAMS
according to Directive 2006/42/CE
INDEXAGE CONNECTEUR
M4
RECUL POUSSOIR
M
22
GOBELET
Production control
F3/0
Option control
lamp
TRYTON
PCD3
112-40-620
Page 2 / 10
Index
H
EMERGENCY
STOP OF THE
BARFEED
14
13
X2-EM1
X2-EM2
X2-EM3
X2-EM4
13
14
21
24
21
22
24
21
22
24
21
22
24
21
22
24
84
83
2221
Pont si pas de bras
escamotable (SQ10)

Related product manuals