EasyManua.ls Logo

Loctite 97152 - Annex: XS 2 Product Reservoir Wiring; Digital and Analog Level Sensor Connections

Loctite 97152
48 pages
Print Icon
To Next Page IconTo Next Page
To Next Page IconTo Next Page
To Previous Page IconTo Previous Page
To Previous Page IconTo Previous Page
Loading...
88
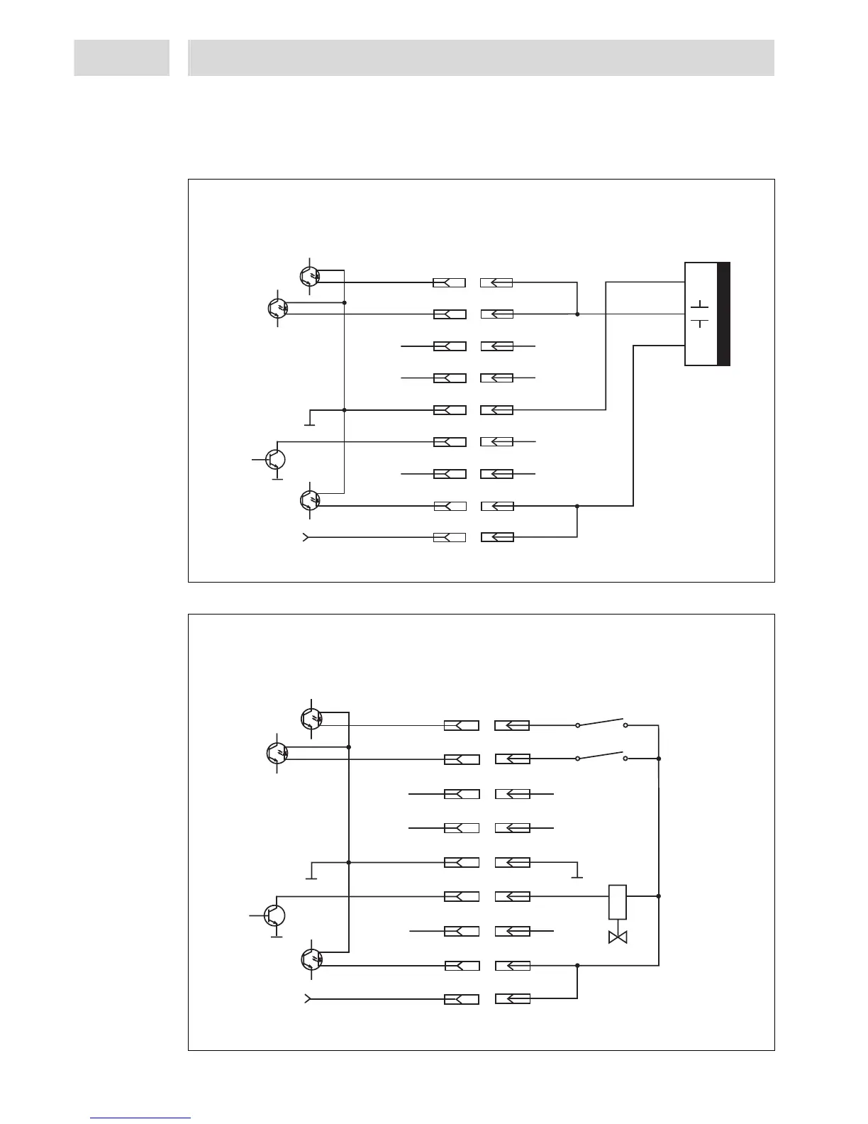
7 Annex
7.2.2 XS 2 Product reservoir
7.2.2.1 XS 2 product reservoir with digital level sensor
(e.g. model 97125)
7.2.2.2 XS 2 Analog product reservoir (e. g. models 97106/97108)
1
2
3
4
5
6
7
8
9
1
2
3
4
5
6
7
8
9
1
2
3
4
1
2
3
4
1
2
3
4
+ 24V
+ 24V
GND
GND
0VDC/GND
0VDC
0VDC
Controller
blue
brown
Tank Refill
Tank Empty
black
Identification
Signal
+ 24V
Output
Reservoir
digital Levelsensor
1
2
3
4
5
6
7
8
9
1
2
3
4
5
6
7
8
9
1
2
3
4
1
2
3
4
1
2
3
4
+ 24VDC
GND
GND
GND
0VDC
1
2
1
2
max. 1.8 W
Tankventil
Controller
Tank Refill
Tank Empty
Identification
Signal
+ 24V
Output
Reservoir
analogue Levelsenso
r

Table of Contents

Related product manuals