EasyManua.ls Logo

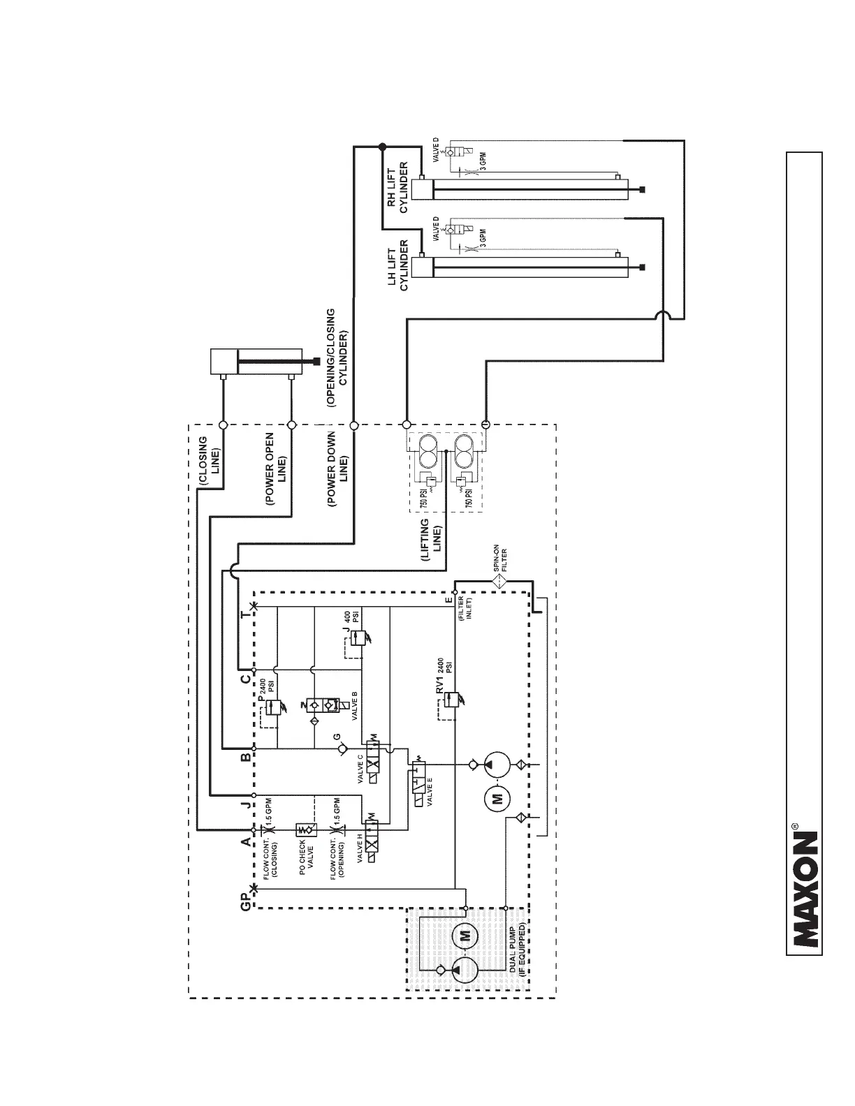
Maxon BMR Series - Power Down Hydraulic Schematic

Maxon BMR Series
106 pages
To Next Page IconTo Next Page
To Next Page IconTo Next Page
To Previous Page IconTo Previous Page
To Previous Page IconTo Previous Page
Loading...
99
11921 Slauson Ave. Santa Fe Springs, CA. 90670 (800) 227-4116 FAX (888) 771-7713
POWER DOWN HYDRAULIC SCHEMATIC
HYDRAULIC SYSTEM DIAGRAMS
FIG. 99-1

Table of Contents

Related product manuals