EasyManua.ls Logo

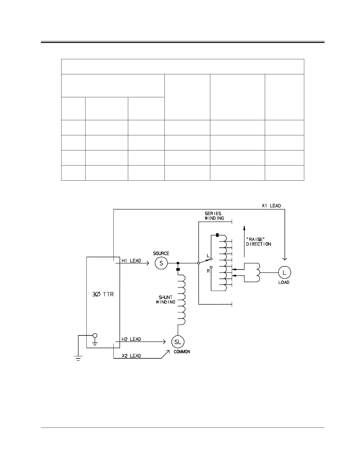
Megger TTR310 - Figure 5-3. Setup for Testing Single-Phase, Type a (Straight Design) Step Voltage Regulator

Megger TTR310
130 pages
Print Icon
To Next Page IconTo Next Page
To Next Page IconTo Next Page
To Previous Page IconTo Previous Page
To Previous Page IconTo Previous Page
Loading...
SETUP AND CONNECTIONS
AVTMTTR310 Rev 8 May 2016
21
Table 5-1. Test Lead Markings for Single-Phase Transformers
Test Lead Marking Transformer Heavy-Duty
Clip
Test Lead
ANSI CEI/IEC Australian Terminal
Voltage
Boot Color Color
Band
H1 1 U A
2
High Red Red
H2 1 V A
1
High Red Yellow
X1 2 U a
2
Low Black Red
X2 2 V a
1
Low Black Yellow
Figure 5-3. Setup for Testing Single-Phase, Type A (Straight Design) Step Voltage Regulator

Table of Contents

Related product manuals