EasyManua.ls Logo

Miller Axcess E 300 - Page 68

Miller Axcess E 300
108 pages
Print Icon
To Next Page IconTo Next Page
To Next Page IconTo Next Page
To Previous Page IconTo Previous Page
To Previous Page IconTo Previous Page
Loading...
OM-244 814 Page 64
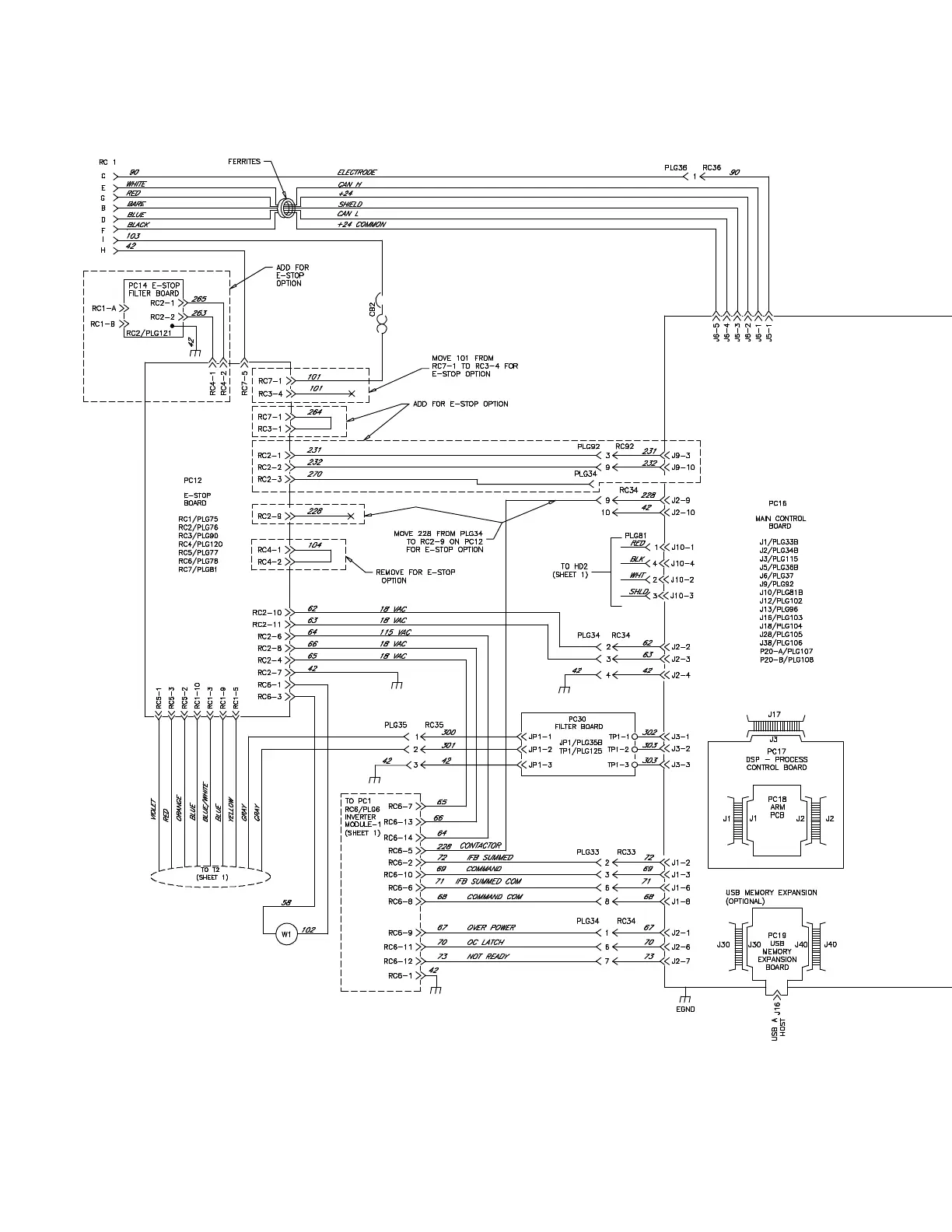
Figure 14-2. Circuit Diagram For Axcess E 300 (2 Of 2)

Table of Contents

Related product manuals