EasyManua.ls Logo

Miller Axcess E 300 - Page 69

Miller Axcess E 300
108 pages
Print Icon
To Next Page IconTo Next Page
To Next Page IconTo Next Page
To Previous Page IconTo Previous Page
To Previous Page IconTo Previous Page
Loading...
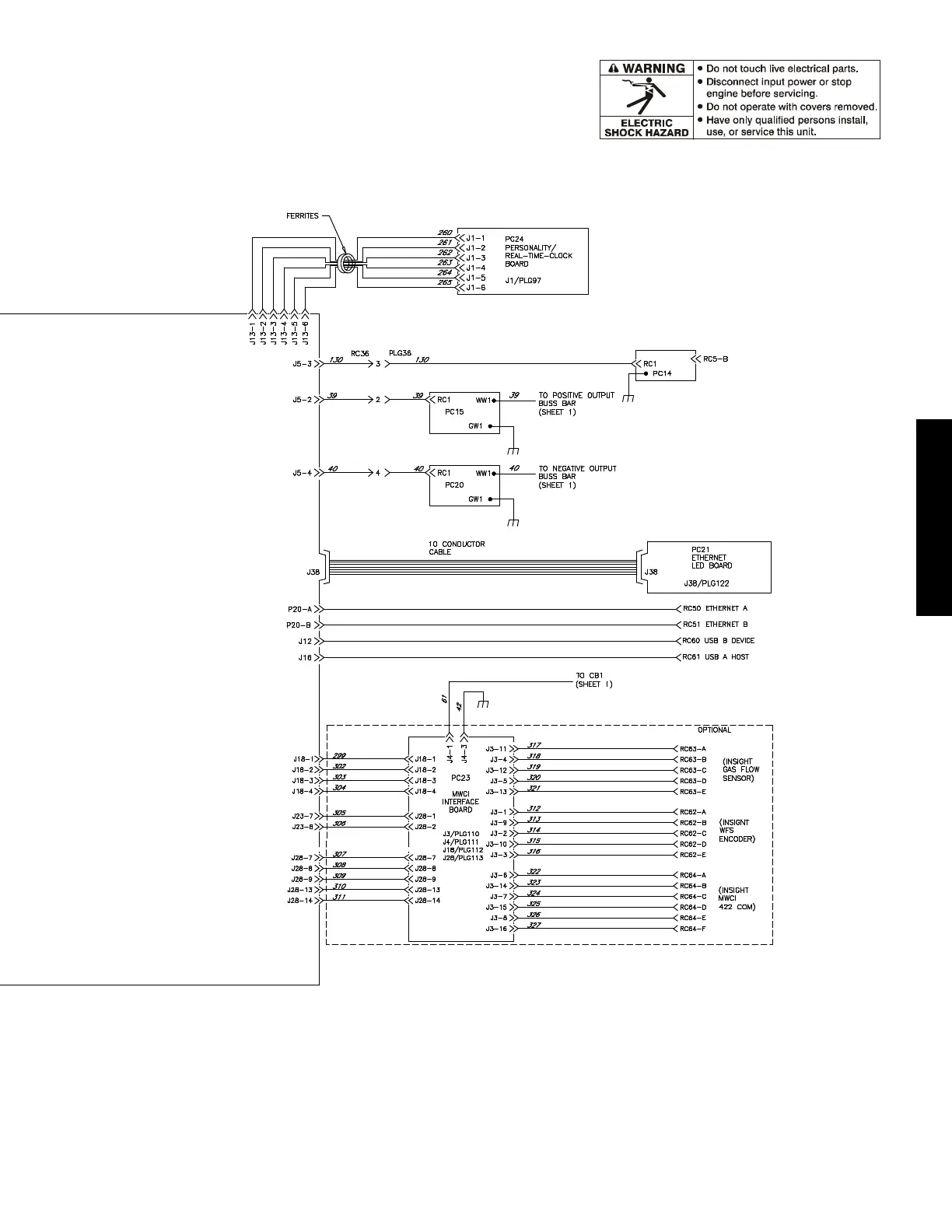
Circuits
OM-244 814 Page 65
248 763-E (Part 2 Of 2)

Table of Contents

Related product manuals