EasyManua.ls Logo

Miller Syncrowave 210 - Section 12: Guidelines for TIG Welding (GTAW); Positioning the Torch

Miller Syncrowave 210
56 pages
Print Icon
To Next Page IconTo Next Page
To Next Page IconTo Next Page
To Previous Page IconTo Previous Page
To Previous Page IconTo Previous Page
Loading...
. A complete Parts List is available at www.MillerWelds.com
OM-261726 Page 36
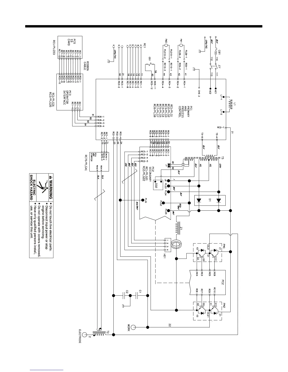
SECTION 9 ELECTRICAL DIAGRAMS
262672-D
Figure 9-1. Circuit Diagram

Table of Contents

Related product manuals