EasyManua.ls Logo

Mitsubishi Lancer Evolution VI - Rocker Arms and Camshaft

Mitsubishi Lancer Evolution VI
447 pages
Print Icon
To Next Page IconTo Next Page
To Next Page IconTo Next Page
To Previous Page IconTo Previous Page
To Previous Page IconTo Previous Page
Loading...
ENGINE Rocker Arms and Camshaft
11-37
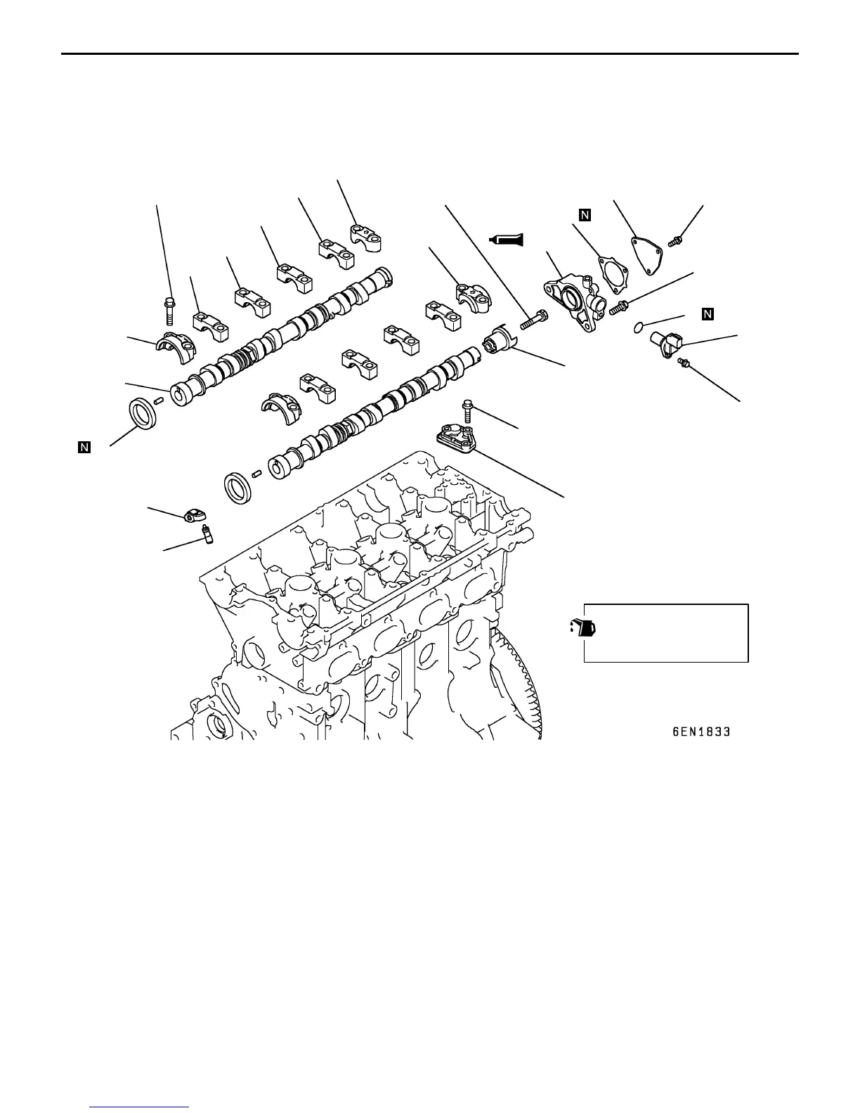
ROCKER ARMS AND CAMSHAFT
REMOVAL AND INSTALLATION
1
2
3
4
5
6
7
8
9
10
11
12
13
14
15
16
17
18
11 Nm
9 Nm
10 Nm
13 Nm
21 Nm
20 Nm
Apply engine oil to all
moving parts before
installation.
Removal steps
1. Cam position sensor
2. O-ring
3. Cam position sensor support cover
4. Cam position sensor support
gasket
"FA 5. Cam position sensing cylinder
"EA 6. Cam position sensor support
"DA 7. Camshaft oil seal
"CA 8. Camshaft bearing cap rear right
"CA 9. Camshaft bearing cap rear left
"CA 10. Camshaft bearing cap front
"CA 11. Camshaft bearing cap No. 5
"CA 12. Camshaft bearing cap No. 2
"CA 13. Camshaft bearing cap No. 3
"CA 14. Camshaft bearing cap No. 4
"BA 15. Camshaft
16. Rocker arm
"AA 17. Lash adjuster
18. Oil delivery body

Table of Contents

Other manuals for Mitsubishi Lancer Evolution VI

Related product manuals