EasyManua.ls Logo

NF WF1973 - Operating Principles

NF WF1973
169 pages
Print Icon
To Next Page IconTo Next Page
To Next Page IconTo Next Page
To Previous Page IconTo Previous Page
To Previous Page IconTo Previous Page
Loading...
2
1. OVERVIEW
MULTIFUNCTION GENERATOR
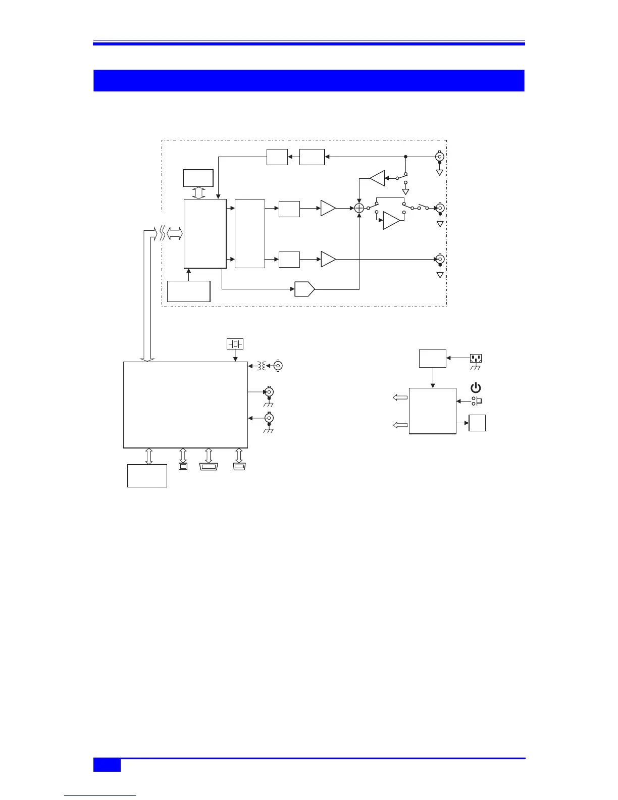
1.2 Operating Principles
WF1973 block diagram
Analog block
The DDS (digital direct synthesizer) uses a 120 MHz clock to generate various types of
oscillation and waveforms. Modulation, sweep, burst, and sequence are also processed
within the DDS.
The digital waveforms generated by the DDS are controlled to the specified polarity
(normal, inversed) in the amplitude range (FS/0, ±FS, 0/+FS), and following digital
amplitude adjustment, the signal is input into the digital to analog (D/A) converter.
The waveform converted into an analog signal by the D/A is then smoothed by the lowpass
filter (LFP), and the amplitude is controlled in 10 dB steps by the programmable gain
amplifier (PGA).
The external addition signal and DC offset are added to the PGA output. When an output
voltage exceeding ±2V/open is required, output is done via the ×5 amplifier.
The maximum output voltage of the product is either 20 Vp-p or 4 Vp-p depending on
whether or not the ×5 amplifier is used. Also depending on this, the external addition gain
is either ×10 or ×2.
After passing through the LPF, the external modulation signal undergoes A/D conversion
and is then input to the DDS.
ANALOG
REF OUT
TRIG IN
10MHz REF IN
for ANALOG
+12V
100V...230V
LINE
MOD/ADD
IN
FCTN
OUT
SYNC/SUB
OUT
A/D LPF
LPF
D/A
DC OFFSET
120MHz
r10Vmax
PGA
0/-10/-20/-30dB
LPF
r1V
2
TTL/r3V
5
r2Vmax
EXTERNAL
MODULATION
EXTERNAL
ADDITION
ISOLATION
DDS
WAV E
MEMORY
16bit
512Kw
16bit-
2CH
D/A
CLOCK
GENERATOR
20MHz
SYSTEM
CONTROLLER
MULTI
I/O
GPIBUSB
FRONT
PA N E L
UNIT
AC/DC
POWER
SUPPLY
FA N
for SYSTEM
CONTROLLER

Table of Contents

Related product manuals