EasyManua.ls Logo

Omron GX-ID1611

Omron GX-ID1611
394 pages
To Next Page IconTo Next Page
To Next Page IconTo Next Page
To Previous Page IconTo Previous Page
To Previous Page IconTo Previous Page
Loading...
11 - 9
11 Expansion Unit
GX-series EtherCAT Slave Unit Users Manual
11-2 Specifications of Expansion Unit
11
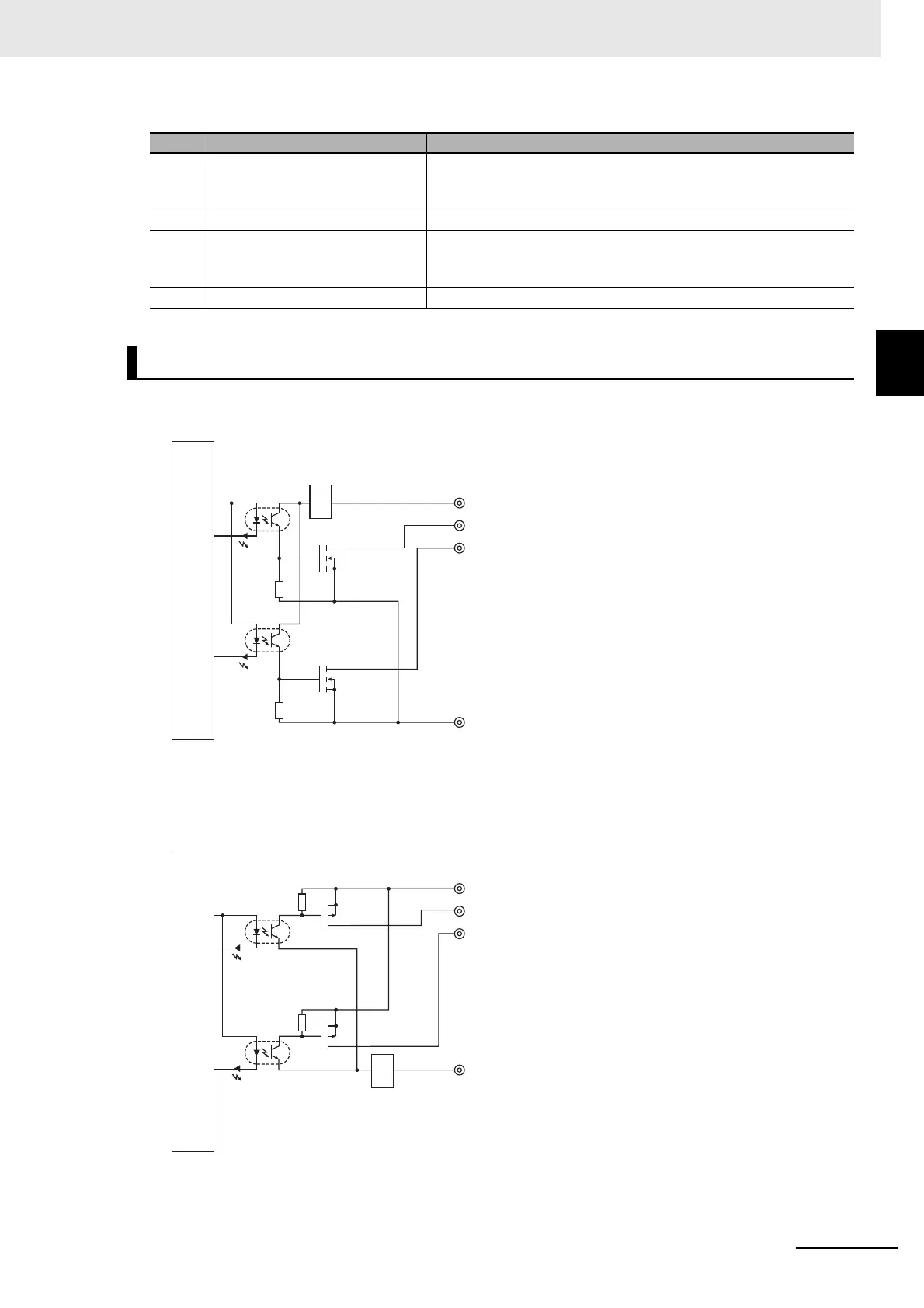
11-2-2 8-point Output Expansion Unit XWT-OD08/OD08-1
XWT-OD08 (NPN)
XWT-OD08-1 (PNP)
No. Name Function
(1) Output indicators (0 to 7)
Indicates the state of each output contact (ON/OFF).
Not lit: Contact OFF (output OFF state)
Lit in yellow: Contact ON (output ON state)
(2) Slave connector Connects the connector on the right side of the Slave Unit.
(3) Terminal block
Connects external devices and the I/O power supply.
V, G: I/O power supply terminals
0 to 7: Output terminals
(4) DIN track mounting hook Fixes a Slave Unit to a DIN track.
Internal circuits diagram
0
1
G
V 24 VDC
Photocoupler
Photocoupler
Voltage
drop
Internal circuits
0
1
G
V 24 VDC
Photocoupler
Photocoupler
Voltage
drop
Internal circuits

Table of Contents

Related product manuals