EasyManua.ls Logo

Omron TM5 Regular Payload Series - Page 39

Omron TM5 Regular Payload Series
68 pages
Print Icon
To Next Page IconTo Next Page
To Next Page IconTo Next Page
To Previous Page IconTo Previous Page
To Previous Page IconTo Previous Page
Loading...
Regular Payload Series-Hardware Installation Manual TM5 Series 39
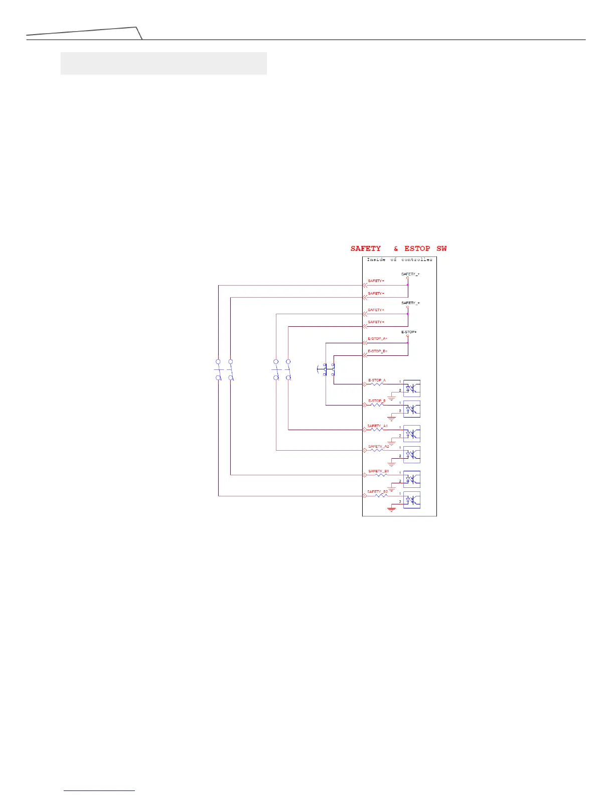
If the safety device is used to work with the safety connectors on the TM Robot, the safety relay can be
connected to the safety connector to work as the normally closed switch triggered by the safety device. If a
direct connection between safety device and safety connector on TM Robot is preferred, use a safety
device with PNP outputs. The PNP outputs can be connected to ether “SAFETY_A1 and SAFETY_A2or
SAFETY_B1 and SAFETY_B2” to trigger the collaborative mode or pause the robot motion. The PNP
outputs can also be connected to “ESTOP_A and ESTOP_B” to trigger the emergency stop. The example
circuit wiring diagram can be found bellow.
Application settings of the arm safety device
The wiring diagram shows the example of switch type safety device.

Table of Contents

Related product manuals