EasyManua.ls Logo

Panasonic KX-FP342CX - Facsimile Section; Image Data Flow During Facsimile Operation

Panasonic KX-FP342CX
247 pages
Print Icon
To Next Page IconTo Next Page
To Next Page IconTo Next Page
To Previous Page IconTo Previous Page
To Previous Page IconTo Previous Page
Loading...
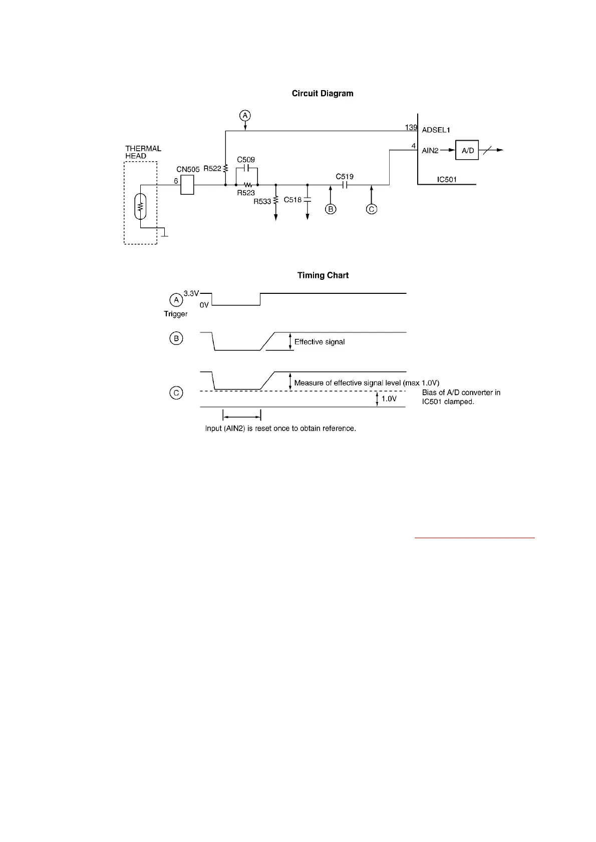
7.4. FACSIMILE SECTION
7.4.1. IMAGE DATA FLOW DURING FACSIMILE OPERATION
Copy (Fine, Super-Fine, Half Tone)
1. Line information is read by CIS (to be used as the reference white
level) via route1, and is input to IC501. Refer to BLOCK DIAGRAM()
2. In IC501, the data is adjusted to a suitable level for A/D conversion
in the Analog Signal Processing Section, and via route2 it is input
to A/D conversion (8 bit). After finishing A/D conversion, the data
is inputto the Image Processing Section via route3. Then via
route4 and route5, it is stored in RAM as shading data.
3. The drafts information that is read by CIS is input to IC501 via
route1. After it is adjusted to a suitable level for A/D conversion via
route2, the drafts information is converted to A/D (8 bit), and itis
input to the Image Processing Section. The other side, the shading
data which flows from RAM via route6 and route7, is input to the
Image Processing Section. After finishing the drafts information
160

Table of Contents