EasyManua.ls Logo

Panasonic KX-FP342CX - 10. Cabinet, Mechanical and Electrical Parts Location

Panasonic KX-FP342CX
247 pages
Print Icon
To Next Page IconTo Next Page
To Next Page IconTo Next Page
To Previous Page IconTo Previous Page
To Previous Page IconTo Previous Page
Loading...
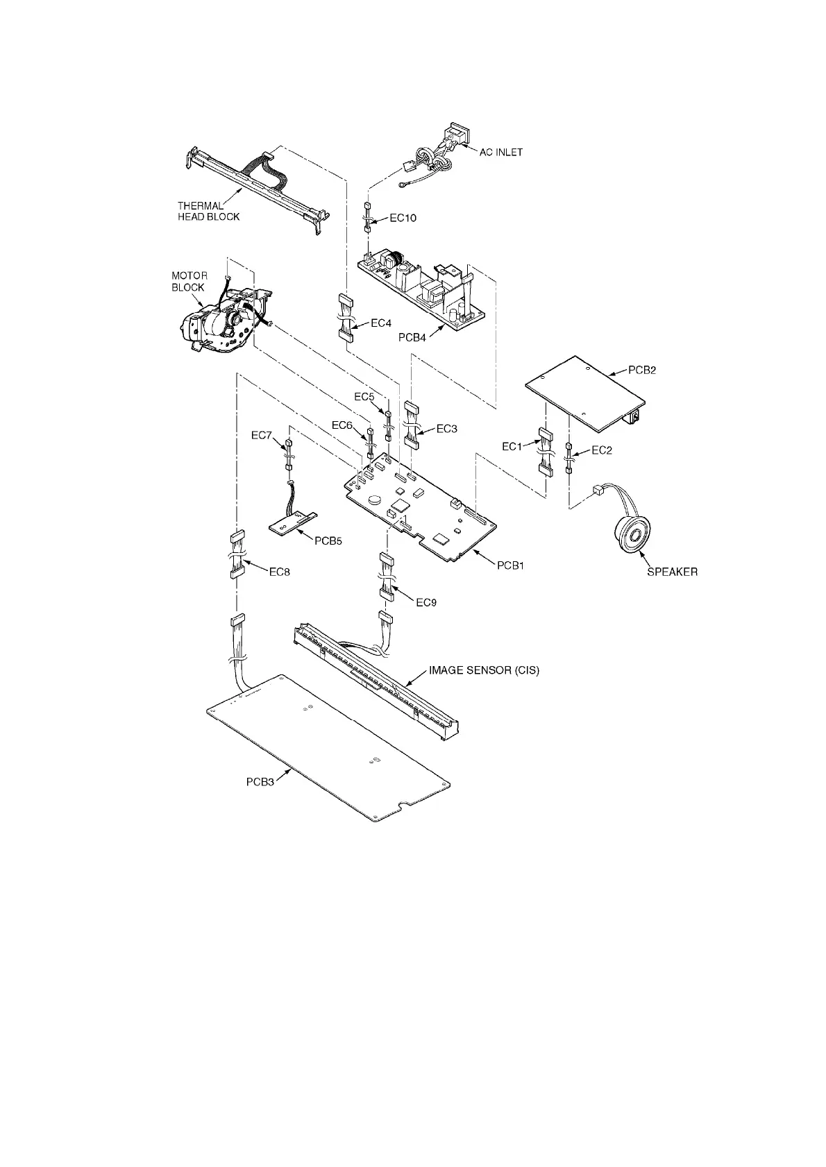
10. CABINET, MECHANICAL AND ELECTRICAL
PARTS LOCATION
10.1. GENERAL SECTION
200

Table of Contents

Related product manuals