EasyManua.ls Logo

Panasonic KX-FP342CX - Cover Open

Panasonic KX-FP342CX
247 pages
Print Icon
To Next Page IconTo Next Page
To Next Page IconTo Next Page
To Previous Page IconTo Previous Page
To Previous Page IconTo Previous Page
Loading...
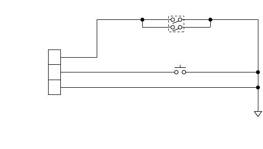
CN501
1COVER OPEN
2READ
3GND
SW501
READ
SW502
COVER OPEN SW
13
24
KX-FP342CX : SENSOR BOARD (PCB5)

Table of Contents

Related product manuals