EasyManua.ls Logo

Panasonic TH-37PG9W - SS and S-Board Block Diagram

Panasonic TH-37PG9W
178 pages
Print Icon
To Next Page IconTo Next Page
To Next Page IconTo Next Page
To Previous Page IconTo Previous Page
To Previous Page IconTo Previous Page
Loading...
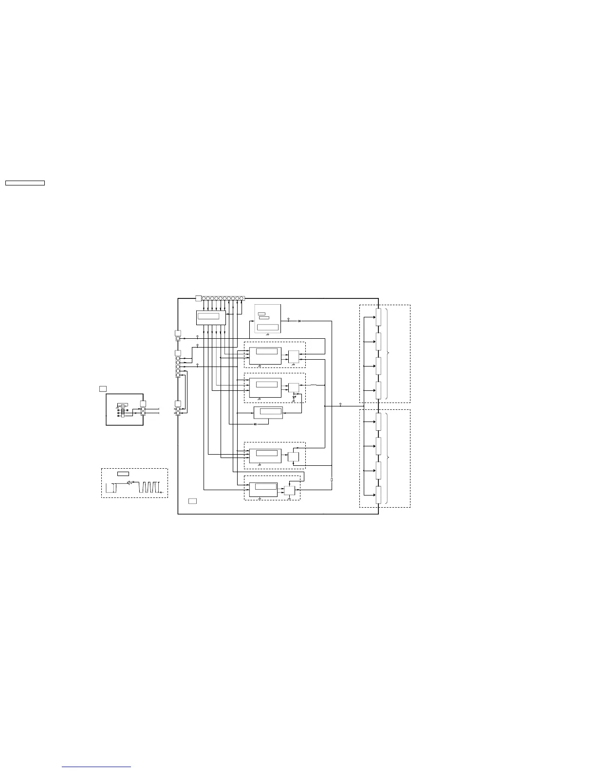
14.58. SS and S-Board Block Diagram
D6221
TPVSUS
D6253
TP15V
TPSS1
TPVE
TPVDA
D6255
R6113
Q6051
Q6141-Q6142
+15V
DRIVER
LED(G)
FET DRIVER
VCC
FET
SS
IC6191
TPSS1 SIGNAL WAVE
1
Q6101,Q6102
4
Vsus Gen.
34
Q6021-Q6023
VCC
Vda
Q6001-Q6003
SS_SOS8
OUTPUT
VSUS
TPSS1
VE
1
2
8
STB12V
VCC
Vda
DRIVER
TO C23
Ve Gen.
VCC
10
VCC
3
IC6251
STB PS
IC6131
12
Ve2
BUFFER
FET
IC6241
TO P12
SS
57
11
38
12
1246
23
SS
Adj.
(+151V)
VE Gen.
TPVE
IC6221
Q6221,Q6222
VR6000
ENERGY RECOVERY
FET
OUTPUT
FET
COMPARATOR
OUTPUT
FET
SS
SUSTAIN DRIVE
Vsus
11
SS
1
TO P11
UMH
UEH
SS_SOS8
5V
Vda
Vda
NUEL
USH
USL
UML
Q6146-Q6147
IC6151
Q6041,Q6042
L6011,L6013
L6001-L6003
VCC
FET
OUTPUT
IC6211
(+5V)
IN
Q6111,Q6112
Ve2 Gen.
FET DRIVER
SUSTAIN
ELECTRODE
PANEL
SS43A
SS41A
SS44A
SS42A
SUSTAIN
ELECTRODE
PANEL
SS43
SS41
SS44
SS42
37INCH
42INCH
LED BLINKING : 8 TIMES
ENERGY RECOVERY SOS DET
TH-37/42PG9W
SS and S-Board Block Diagram
TH-37/42PG9W
SS and S-Board Block Diagram
PUSH
SW2500
S1
STB PS
POWER SWITCH
STB12V
3
1
S POWER SWITCH
TH-37PG9W / TH-42PG9W
128

Table of Contents

Related product manuals