EasyManua.ls Logo

Panasonic TH-37PG9W - P-Board (3 of 6) Schematic Diagram (37 Inch)

Panasonic TH-37PG9W
178 pages
Print Icon
To Next Page IconTo Next Page
To Next Page IconTo Next Page
To Previous Page IconTo Previous Page
To Previous Page IconTo Previous Page
Loading...
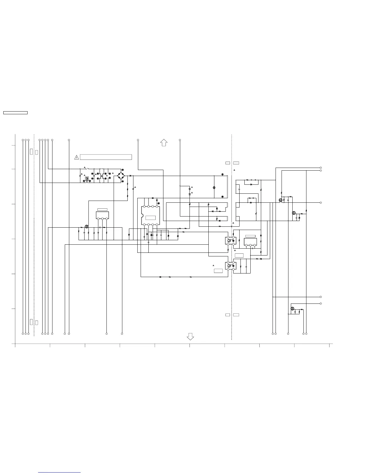
14.6. P-Board (3 of 6) Schematic Diagram (37inch)
R429
4.7
ZH59
D430
MA111
D595
WA5001=5
R459
680K
C630
0.01
C513
50V
470P
IC411
TL431A1LPM5
123
R677
470K
ZH63
ZH67
C512
50V
470P
ZH5
C585
0.1
C408
1000P
D444
D1NL20U
D601
02DZ5.1
R404
1K
D435
ERA15-10
D432
RB520
R521
10
IC504
TL431A1LPM5
123
C494
1u/250V
R413
10/5W
Q521
2SK3018
R435
430K
IC408
ON3171
2
1
4
3
ZH88
D563
02DZ6.2
R539
10K
C529
1.0
ZN405
510V
C402
1.0
ZH68
Q434
2SK3302
D436
MA4200-M
R412
0
ZH89
C467
220P
C627
1000P
R544
330
IC409
MIP2G4
Vdd
1
FB
2
CL
3
Vcc
4
DRAIN
56
SOURCE
7
SOURCE
8
ZH6
D404
S1WB(A)80
C413
0.1
ZH44
R422
330K
C497
47/50V
D437
MA4200-M
R461
10K
R423
1K
D438
MA4200-M
C507
0.01
D509
D2S6M
ZH41
C407
22u/450V
R418
22
R594
150
R530
33K
R524
1K
C517
220u
IC410
ON3171
2
1
4
3
1mm
ZN406
510V
R488
100K
R416
3M
C654
1.0
L410
40mH
1
2
4
3
R921
33K
R541
1M
R507
220
ZH45
1mm
ZH60
R434
0
ZH61
D511
D1NJ10
D411
ST02D-170
D596
ERA15-10
C414
0.047u
R432
1K
C433
0.1
T410
ETS25AF115AH
9
7
5
4
1
2
10
11
12
13
14
16
15
C514
50V
470P
Q524
2SK2090
C515
1200
D416
1SR153
C425
0.01
R943
1M
R540
1M
D412
D1NL20U
R483
4.7M
C434
1.0
R420
0
C516
0.47
R938
4.7K
ZH52
R542
1K
R407
430K
R522
10
C493
47/50V
D441
D1NL20U
D445
MA4360-H
R425
39K
R427
430K
ZH53
R549
10K
Q537
RTR040N03
93
D
B
7
A
4
E
6
F
1258
C
COLD
HOT
COLD
HOT
COLD
HOT
COLD
HOT
P-BOARD TNPA3912AL (3/6)
FBE IA JCD HG K
13
12
14
11
15
BG BKBEBDBB BIBHBA BJBFBC BL BM BN BO BP
P-BOARD
(1/6)
TO
TO
P-BOARD
(5/6)
DC POWER
CONTROL
COUPLER
PHOTO
COUPLER
PHOTO
ERROR DET
ERROR DET
TH-37PG9W
P-Board (3 of 6) Schematic Diagram
TH-37PG9W
P-Board (3 of 6) Schematic Diagram
F410
1A / 250V
TH-37PG9W / TH-42PG9W
76

Table of Contents

Related product manuals