EasyManua.ls Logo

Panasonic TH-37PG9W - P-Board (4 of 6) Schematic Diagram (37 Inch)

Panasonic TH-37PG9W
178 pages
Print Icon
To Next Page IconTo Next Page
To Next Page IconTo Next Page
To Previous Page IconTo Previous Page
To Previous Page IconTo Previous Page
Loading...
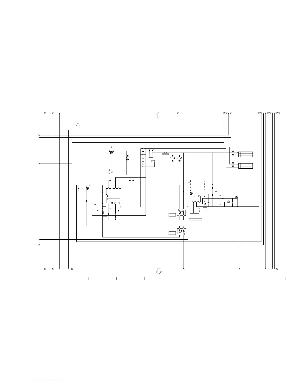
14.7. P-Board (4 of 6) Schematic Diagram (37inch)
C634
1000P
R527
220K
P2
3
NC
2
1
IC509
L6565N
INV
1
COMP
2
VFF
3
CS
4
ZCD
5
GND
6
GD
7
Vcc
8
R526
220K
ZH24
R634
0.68
R626
150K
D587
MA188
ZH25
R550
47K
IC506
HA17431
5
4
1
3
2
R652
9.1K
R533
16K
R646
22K
R947
330
ZH100
Vsus
R658
1M
C640
0.1
R647
22K
D585
02DZ7.5
D575
MA188
R528
4.7
ZH101
GND
ZH113
GND
R643
0.68
R644
0.68
C641
1000P
C616
1000P
R656
47K
R671
10K
R636
150K
R619
0.68
C629
0.01
IC505
ON3171
2
1
4
3
R695
16K
R945
22K
PR601
T 3.15A 250V
D582
MA7056
ZH27
R628
3K
R637
0.68
D501
S3K60
R691
100K
C531
1.0
Q505
2SK2998
R621
12K
ZH112
Vsus
ZH23
R603
33K
R534
47K
R627
8.2K
D514
02DZ6.2
Q530
2SD1819A-RTX
P11
3
NC
2
1
R654
22
T601
45H-5034A
5
9
4
6
ZH47
C619
0.1
ZH46
R622
150K
ZH26
R543
15K
R648
150K
ZH39
R608
3300
R590
12K
R601
47K
Q540
RSR025P03
ZH29
C611
1700u/200V
R620
10K
Q507
2SK3568
C632
330P
R589
12K
R946
33K
C518
0.1
R642
0.68
C615
1700u/200V
IC507
ON3171
2
1
4
3
D506
02DZ5.1
C653
1000P
R657
1000
Q525
2SK3018
R595
2200
ZH28
12 1710 181611 13 1514
(SC2)
TO
SC-BOARD
(SS11)
TO
SC-BOARD
Vsus
ERROR DET(Vsus)
Csus
AA AB AG AHAC AD AE AF
AI AJ AK AL AM AN AO AP AQ AR
14
12
11
15
13
CA CB CC CD CE CF CG CH CI CJ CK
P-BOARD
(2/6)
TO
P-BOARD
(6/6)
TO
COUPLER
PHOTO
COUPLER
PHOTO
DC-DC CONVERTER
P-BOARD TNPA3912AL (4/6)
175.0
0
175.0
0
0
0
TH-37PG9W
P-Board (4 of 6) Schematic Diagram
TH-37PG9W
P-Board (4 of 6) Schematic Diagram
TH-37PG9W / TH-42PG9W
77

Table of Contents

Related product manuals