EasyManua.ls Logo

Panasonic TH-37PG9W - P-Board (1 of 6) Schematic Diagram (42 Inch)

Panasonic TH-37PG9W
178 pages
Print Icon
To Next Page IconTo Next Page
To Next Page IconTo Next Page
To Previous Page IconTo Previous Page
To Previous Page IconTo Previous Page
Loading...
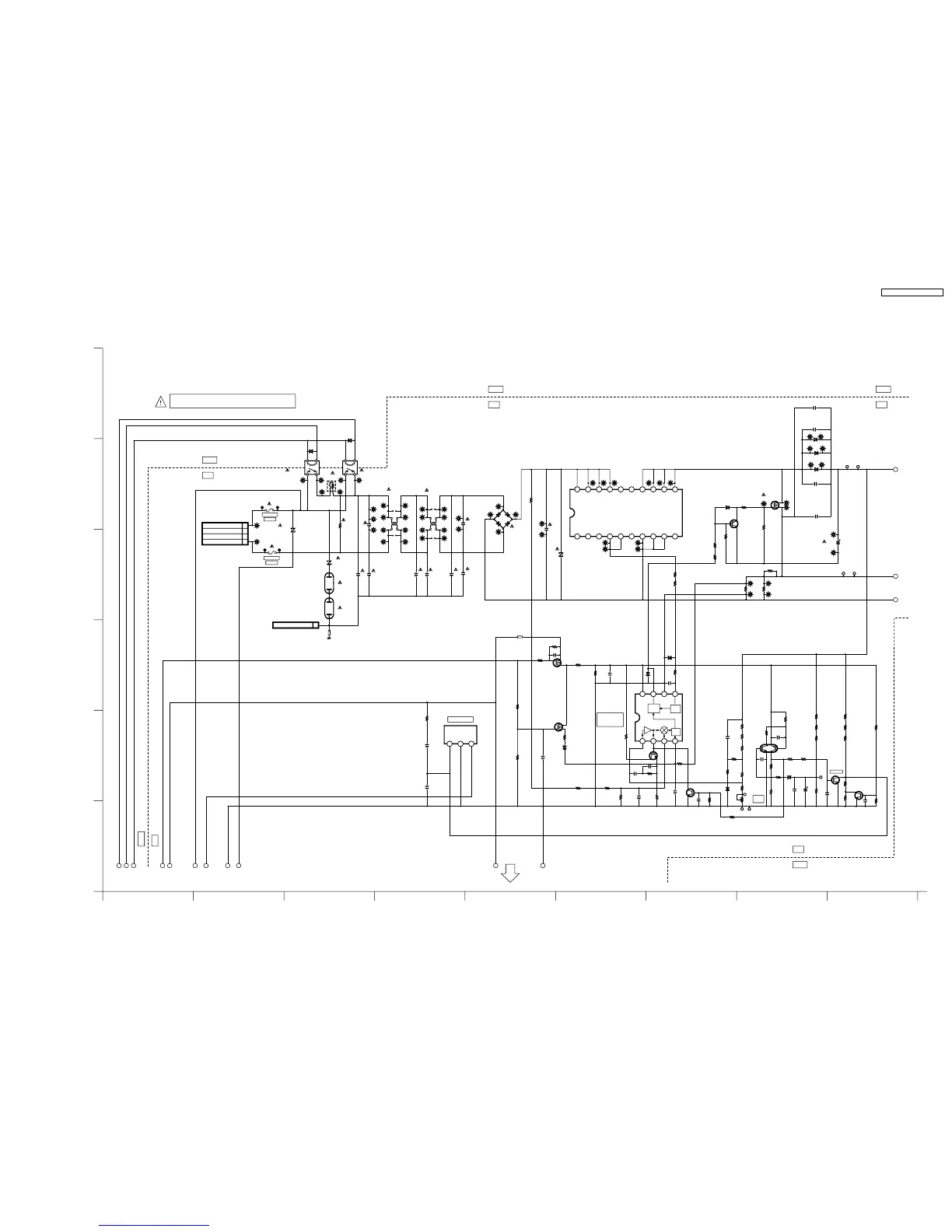
14.11. P-Board (1 of 6) Schematic Diagram (42inch)
*
R472
560K
R419
100K
R497
12K
ZH42
R426
10K
C443
1000p
R473
560K
TP5
ZH105
R428
10K
TP6
S402
RA-362MS-V7-Y
ZH18
RL403
DG12D1-O(M)-2
1
4
2
3
ZN402
D4EAD7510001
R463
33K
C423
4700P
ZH33
ZH122
R439
12
R417
430K
C431
1000P
T401
G4D4A0000119
123
45678
9
10
1112
1314151617
181920
R433
12K
ZH109
D503
MA165
ZH96
R475
680K
D418
02DZ8.2
L405
TF3524V-123Y5R0
1
2
4
3
ZH21
R414
15K
D420
S3K60
Z450
EYF52BCY
ZH51
R492
0
TP4
C409
2.2uF
R450
1000
R437
18K
ZH34
R442
680K
ZH9
C404
1.0uF
ZH120
IC402
TL431A1LPM5
123
D433
02DZ15
ZN401
ERZVGED621
ZH19
Q422
2SD1819A
R471
3.3K
C476
100P
R451
33K
TP8
ZN404
ERZVGAD681
L404
TF3524V-123Y5R0
1
2
4
3
ZH36
C421
1.0
ZH10
ZH32
ZH117
R430
430K
D431
RB520
R465
560K
ZH20
ZH40
C429
0.047
C478
100P
ZH111
D415
D1NS4
R480
47K
Z451
EYF52BCY
ZH107
C446
390uF/450V
D419
S3K60
C470
1uF
ZH123
R449
0.1
ZH35
C635
0.01
ZH106
R443
2K
D429
ERA15-10
R495
560K
ZH103
R444
12K
R403
1M
C472
***
TP2
2.5mm
R455
12K
ZH8
ZH48
R453
3M
C463
22P
R438
330
R421
33K
2.5mm
R431
10K
C422
0.01
ZH1
2.5mm
D417
S3K60
S401
RA-362MS-V7-Y
C468
0.01
R436
15K
R410
10/5W
ZH38
C436
1.0
R456
33K
ZH102
TP3
C462
1.0
C461
330p
ZH31
C474
100P
C475
***
Q421
2SD1819A
C450
0.01
ZH118
ZH49
R452
10K
ZH95
R406
ERX12SJ2R2V
R493
12
ZH55
R464
33K
ZH50
ZH110
R401
10K
TP7
R441
680K
R494
560K
D504
MA165
F401
T8AH 250V
ZH16
R692
4700
ZH43
ZH119
ZH92
ZH17
ZH54
ZH2
ZH12
Z453
EYF52BCY
ZH7
R402
820
R491
47K
C460
330p
Q407
HN1B01F
C445
1.0
L513
EXCELDR25V
R498
0.08
2.5mm
R454
10K
ZH15
C432
1.0
ZH22
R499
390K
R448
0.1
RL402
DG12D1-O(M)-2
1
4
2
3
C410
0.01
TP1
Q418
2SD1819A
D401
B0FBAT000006
R458
4700
Q401
SSM3J14T
R440
470K
C444
1000p
ZH30
Q404
2SB1443
R467
1000
F402
T8AH 250V
ZH121
Q402
RTR040N03
C426
470P
P9
LIVE
4
NC
3
-
2
NEUTRAL
1
R490
47K
ZH108
L403
EXCELSA35T
R424
22K
C440
10
Z2
K4ZZ01000206
1
ZH37
ZH116
Z452
EYF52BCY
R693
10K
R415
10K
ZH56
C473
100P
ZH104
IC406
L6561
1234
5678
ZH11
R462
430K
ZH3
C427
1.0
R496
560K
D407
MA111
C428
220P
Q420
2SD1819A
ZH13
ZH97
ZH4
Q406
B1DEHQ000007
CURR
Vcc GND
CURR
DRIVE
COMP
MOS
DET
CAUTION
23
D
B
4
F
5
E
61 87
A
C
9
CAUTION
AC CORD
TO
P-BOARD TNPA3911AL (1/6)
HOT
COLD
HOT
COLD
COLD
HOT
POWER
FACTOR
CORRECTOR
PFC
COLD
HOT
HOT
COLD
1
2
3
ABC D F G H I JKE
P-BOARD
(3/6)
TO
ERROR DET
PFC DET
TH-42PG9W
P-Board (1 of 6) Schematic Diagram
TH-42PG9W
P-Board (1 of 6) Schematic Diagram
TH-37PG9W / TH-42PG9W
81

Table of Contents

Related product manuals