EasyManua.ls Logo

Panasonic TH-37PG9W - J-Board (1 of 2) Block Diagram

Panasonic TH-37PG9W
178 pages
Print Icon
To Next Page IconTo Next Page
To Next Page IconTo Next Page
To Previous Page IconTo Previous Page
To Previous Page IconTo Previous Page
Loading...
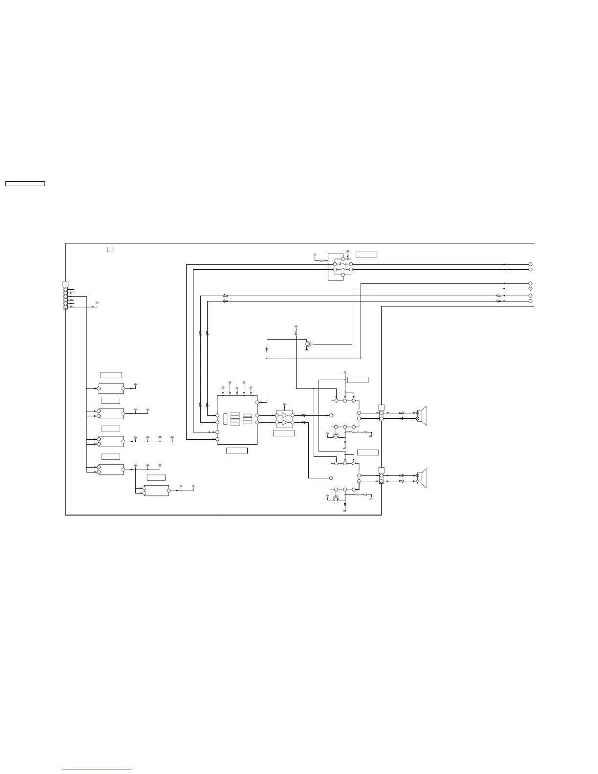
14.20. J-Board (1 of 2) Block Diagram
9V_2
5V_M
A_3.3V
12V
A_1.8V
9V_2
SLOT9V
A_5V SLOT5V FAN5V
SLOT3.3VD_3.3V
D_1.8V
STB3.3V
D_3.3V
P5V
A_3.3V
D_3.3V
A_5VA_1.8V
D_1.8V
SOUND+15V
SOUND+15V
SOUND+15V
SOUND+15V
+R OUT
4
IC2301
-R OUT
BTL AMP R
10W MONO
IC2303
23
5
AVR 5V
1
TO P5
+L OUT
27
AVR 1.8V
6
2
AUDIO L
AMP_STB_SW
8
-L OUT
J4
J8
SP_R+
32
SP_R-
SP_L-
L OUT
TONE
22
S_CLOCK3
IC2302
1
VCC
10
AUDIO R
AVR 9V
SOUND MUTE
R
IC802
AMP_STB_SW
J SLOT INTERFACE/SYNC PROCESSOR/SOUND PROCESSOR
S_DATA3
3
38
IC8100
3
SP_L+
2
1
1
8
8
7
1
2
1
AMP
37
3
PHASE
2
1
VOL
L
IC801
8
J7
13
2
5
AVR 12V
7
IC2305
EQUALIZER
IC804
A
G
C
BAL
IC803
LPF
20
+15V
SHIFT
RESET
AVR 3.3V
R OUT
2
SOUND CONTROL
BTL AMP L
10W MONO
1
2
3
4
5
6
VCC OUT
SOUND+15V
+15V
+15V
SOUND+15V
SOUND+15V
VIN
VIN
SW
VIN
VIN
SW
VIN
VIN
SW
VDD
CE
VOUT
7
21
56
3
IIC ON/OFF
IC3008
67
D2303
RSTB
Q2372
MUTE SW
71
73
SDA
SCL
SDA3
SCL3
1617 15
SW_E
SW_B
SW_OUT
4
IN
21
PRE_
VCC
STBY
AMP_
OUT-
OUT+
OUT-
4
17
SW_B
SW_E
20
VCC
22
16
IN
21
SW_OUT
AMP_
15
23
10
VCCSTBY
PRE_
OUT+
Q2300
Q2331
SPEAKER
R
SPEAKER
L
TH-37/42PG9W
J-Board (1 of 2) Block Diagram
TH-37/42PG9W
J-Board (1 of 2) Block Diagram
TH-37PG9W / TH-42PG9W
90

Table of Contents

Related product manuals