EasyManua.ls Logo

Panasonic TH-37PG9W - P-Board Block Diagram (37 Inch)

Panasonic TH-37PG9W
178 pages
Print Icon
To Next Page IconTo Next Page
To Next Page IconTo Next Page
To Previous Page IconTo Previous Page
To Previous Page IconTo Previous Page
Loading...
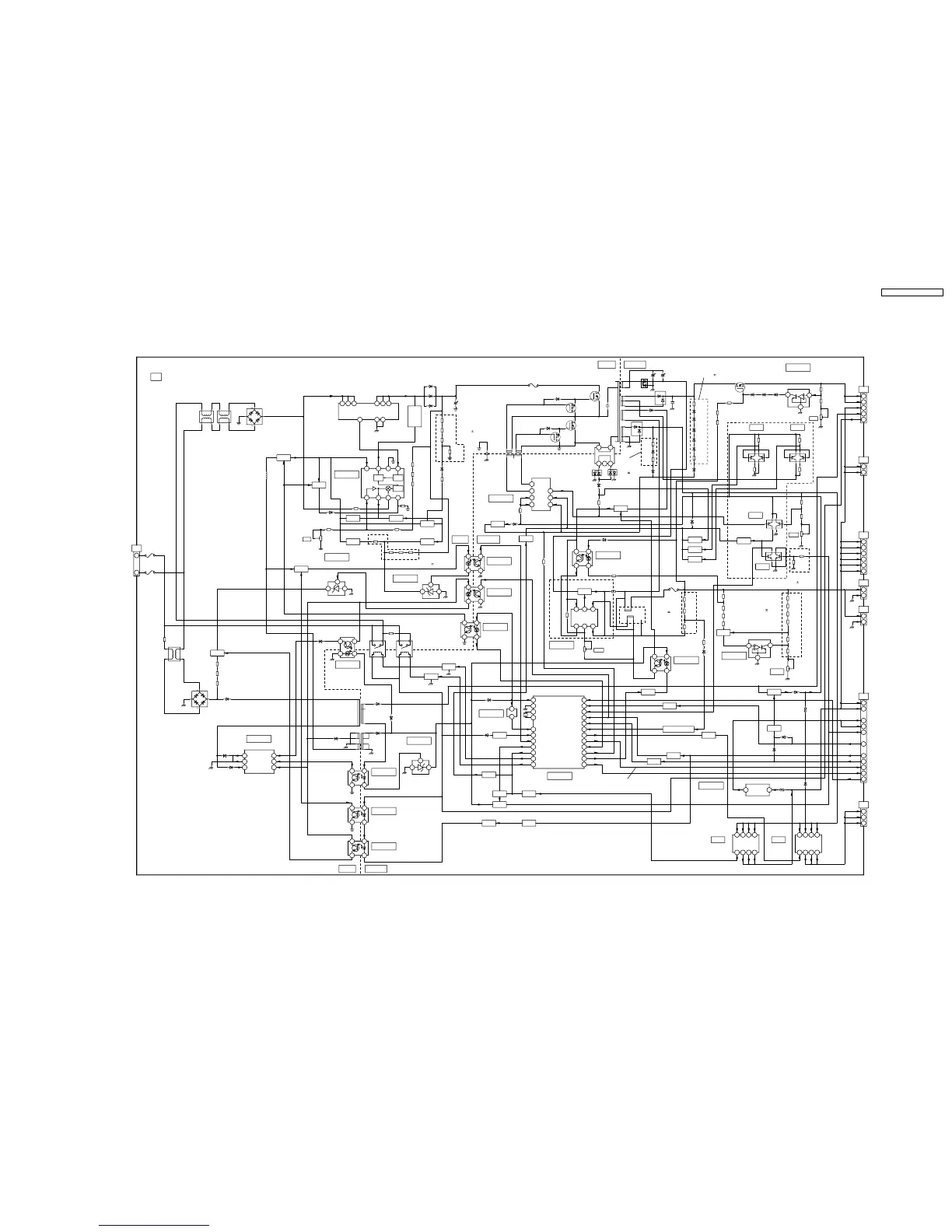
14.3. P-Board Block Diagram (37inch)
+
- +
- +
R628
D520
D511
Q409
Q408
D529
D435
D535
D416
R661
1
2
3
Q412
Q527
C469
D430
D521
D505
D563
D528
Q413
C555
D417
R671
D404
X501
4NHz
D530
D420
D509
D596
D419
D401
R665
1
2
3
R443
1
2
3
D25
1
STB_PS(12V)
3
2
Vdat OVER VOLTAGE
17
INV.
ON:L
C447
2
+5Vc
4
INV.
1
Q434
9
R410
H:ON
Q402
ECO ON
2
10
G
IC409
7
2
L403
1
Q421
IC404
PHOTO
(IPD)
SS12
+15Vc
CIRCUIT
Vda
Q401
IC403
POWER MCU
+15Vs(S)
Q510
RESET
TO
3
73V
D407
4
COLD
+15Vs(W)
3
Q564
4
+15Vs(W)
Q565
T601
D569
R455
COLD
Q568
2
PHOTO
F STB 14V
D570
1
HOT
R534
D571
10
3
1
D585
STB_PS
R674
R670
OVER
R676
D539
Q422
Q541
R626
3
Q524
2
R656
AC GOOD
AC POWER
Vda70V
R650
OUT
S
R627
F STB ON
2
Q540
8
R649
PHOTO
COUPLER
F 5A 250V
V LOW DET
STB12V
OUT
T402
5V OUT
OSC
AC P DET
DETECTION
13
VOLTAGE
Q538
OSC
Q509
DETECTION
12
(60V 40V)
15
R631
Vcc
TV ON/OFF
DETECTION
16
16
COUPLER
PR505
VSUS DET
(490V 80V)
17
PHOTO
NEUTRAL
F_STB ON/OFF
DETECTION
15
IC405
D
6
15V OVER
18
Q555
D586
VCC
F STB 14V
2
VOLTAGE
4
MOS
T404
2
2
6
+15Vc
(16V 2V)
DRIVE
5
ERROR DET
IC505
PFC ON/OFF
1
PROTECTION
(Vda)
CURR
DETECTION(100V 25V)
3
COUPLER
Q520
DET
8
Q517
HOT
CURR
LIVE
+15Vc
7
POWER SUPPLY
COMP
P9
IC401
4
2
9
COUPLER
IC501
1
D531
Vda
PHOTO
15
Q508
3
PHOTO
DC POWER CONTROL
15V
RL402
7
COUPLER
7
GND
4
14
SC2
8
2
RL403
DC-DC
POWER SOS
Q407
13
TO
IC512
LED BLINKING : 4TIMES
POWER
PS SOS
CONVERTER
D542
Q420
PR601
VSUS DET
GND
COLD
Q556
INV.
Q404
9
D544
1
DC/DC CONV.
S
INV.
COUPLER
P10
12V DET
D545
Q406
8
6
VSUS ON/OFF
3
SW
PHOTO
Csus
R406
5
R622
T407
Source
TO
CONTROL
R533
7
19
R648
12V ON/OFF
1
D415
4
4
Source
5
+15Vc
1
R636
INV.
D579
3
(3V 1.0V)
Q521
IC406
1
3
P
BUFF
TO
7
5
Q569
HOT
178V
ERROR DET
POWER
BUFF
5
BUFF
1
IC411
11
AC CORD
INV.
(1.7A)
F402
Q537
ZCD
FACTOR
1
Vdd
ECO ON/OFF
Q512
TO
7
SW
CORRECTOR
Vsus
SWITCHING
PFC DET
IC510
GD
Q535
K
P11
R579
STB5V DET
A
8
8
2
P2
Vsus
VlOW DET
VCC
6
FB
Vsus
6
IC504
10
Drain
SS11
D
14
PR401
7
5
3
2
1
9
REGULATOR
PFC
IC502
3
D513
2
R444
RESET
S
VFF
4
3
RECTIFIER
4
R475
G
DC/DC CONV.
1
15
STANDBY POWER SAVE
2
4
Q558
R441
Q563
5V
5
D
1
(Vlow)
VlOW DET
R526
6
R442
2
4
A
3
15
Vsus 175V
R527
ERROR DET
D572
4
4
CS
19
PFC DET
IC402
POWER
Vlow
S
H:ON
J10
6
INV
ERROR DET
24
Vlow
OVER
SW
4
3
4
IC509
BUFF
9
18
3
1
6
D441
Vsus POWER CURCUIT
BUFF
BUFF
2
10
1
2
22
STB5V ON/OFF
VSUS DET
5
4
Vcs
6
OSC
1
8
13
STB5V
23
D602
VOLTAGE
5
R620
395V
(15V)
4
14
Q507
16
Q561
VOLTAGE
R589
R496
2
D549
Vda
12
AC_GOOD
17
PROTECTION
R590
R495
P12
D531
21
MAIN RELAY
4
V LOW ON/OFF
D536
R621
+15V
R494
20
RUSH RELAY
1
RUSH
+15Vc
ON
2
VDD
VSUS
ON/OFF
R666
TO
R472
VSS
ALL OFF
D551
1
R473
XIN
11
S
2
XOUT
COUPLER
Q559
IC412
3
3
RESET
6
13
3
D574
STB PS
D
J4
F_STBY_ON
IC507
16
D
PFC DET
P5
ALL_OFF
D514
STB 5
ON/OFF
13
3
R545
4
1
PS_SOS
LOW 15
10
3
7
F401
PANEL_MAIN_ON
D
8
1
D512
ECO_ON
Q418
OSC
7
2
Q566
1
F STB 14V
5
K
R497
L405
4
+15V
R465
1
2
(350V 40V)
2
SW
1
2
PFC OUT
4
RECTIFIER
+15V
IC408
SW
Q501
3
P23
L:ON
4
T410
Q502
Q557
TO
2
1
Q525,Q530
1
D
2
SC23
L404
1
D
(Vsus)
(490V 80V)
9
2
R413
3
Q551
COUPLER
+5Vc
1
L410
1
12
Q505
IC410
PHOTO
TO
R407
3
R458
ERROR DET
COUPLER
STBY5V
MAIN
4
R427
ECO
R464
IC506
ON
PHOTO
7
2
Q553
R435
12V
D418
Q554
P25
1
2
3
IC520
S
PR509
C446,
(F STB 14V)
623 8
10
1
T401
14
7
11
TH-37PG9W
P-Board Block Diagram
TH-37PG9W
P-Board Block Diagram
TH-37PG9W / TH-42PG9W
73

Table of Contents

Related product manuals