EasyManua.ls Logo

Panasonic TH-37PG9W - P-Board (1 of 6) Schematic Diagram (37 Inch)

Panasonic TH-37PG9W
178 pages
Print Icon
To Next Page IconTo Next Page
To Next Page IconTo Next Page
To Previous Page IconTo Previous Page
To Previous Page IconTo Previous Page
Loading...
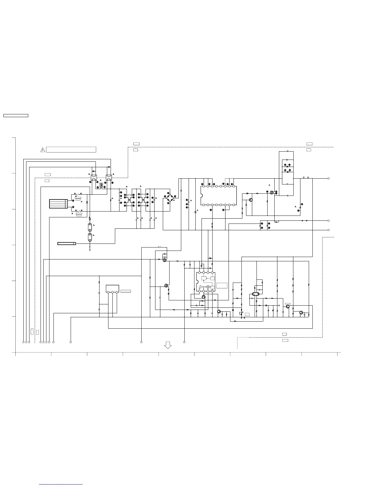
14.4. P-Board (1 of 6) Schematic Diagram (37inch)
*
Q402
RTR040N03
Q404
2SB1443
TP6
ZH117
ZH1
C443
1000p
R433
12K
R496
560K
R497
12K
Z2
1
C421
1.0
C635
0.01
ZH55
C476
100P
R401
10K
D419
S3K60
2.5mm
R406
ERX12SJ2R2V
ZH36
C446
390uF/450V
C440
10
R442
680K
ZH34
R439
12
R467
1000
L404
TF3524V-123Y5R0
1
2
4
3
R495
560K
2.5mm
C429
0.047
ZH104
ZH119
ZH3
R493
12
ZH19
ZH111
C423
4700P
R471
3.3K
R464
33K
R451
33K
ZH22
ZN404
ERZVGAD681
ZH118
ZH32
C461
330p
ZH114
L403
EXCELSA35T
D503
MA165
R403
1M
ZH110
TP2
ZH37
C474
100P
ZH15
D415
D1NS4
R473
560K
Q401
SSM3J14T
R499
390K
IC406
L6561
1234
5678
R491
47K
ZH54
ZH120
R448
0.1
R692
4700
C404
1.0uF
1.0
C427
Q418
2SD1819A
C436
1.0
T401
G4D4A0000120
123
45678
111213
141516
910
TP7
R415
10K
TP8
R419
100K
RL403
DG12D1-O(M)-2
1
4
2
3
ZH97
ZN401
ERZVGED621
ZH116
ZH11
R490
47K
R498
damy
ZH21
ZH96
ZH122
R454
10K
C470
1.0uF
ZH10
C445
1.0
ZH40
C460
330p
ZH33
ZH31
R430
430K
F402
T8AH 250V
R452
10K
R410
10/5W
TP1
D418
02DZ8.2
R492
0
ZH9
C468
0.01
R494
560K
ZH92
ZH95
ZH109
R414
15K
R453
3M
R465
560K
L513
EXCELDR25V
C428
220P
L405
TF3524V-123Y5R0
1
2
4
3
R472
560K
ZH48
ZH123
ZH102
R426
10K
P9
LIVE
4
NC
3
-
2
NEUTRAL
1
ZH49
D417
S3K60
IC402
TL431A1LPM5
123
R424
22K
D504
MA165
R421
33K
R402
820
ZH8
C426
470P
Z453
EYF52BCY
F401
T8AH 250V
C462
1.0
ZH13
ZH2
ZH105
Z452
EYF52BCY
ZH17
C444
1000p
S402
RA-362MS-V7-Y
R480
47K
D401
B0FBAT000006
D433
02DZ15
C450
0.01[KB]
ZH16
ZH108
Z450
EYF52BCY
ZH30
Z451
EYF52BCY
ZN402
D4EAD7510001
ZH20
Q420
2SD1819A
C473
100P
ZH12
2.5mm
R443
2K
R437
18K
R440
470K
Q406
B1DEHQ000007
R438
330
ZH42
C410
0.01
R449
0.1
S401
RA-362MS-V7-Y
R463
33K
R456
33K
R444
12K
D431
RB520
ZH103
2.5mm
C409
2.2uF
R475
680K
RL402
DG12D1-O(M)-2
1
4
2
3
R436
15K
D407
MA111
C432
1.0
ZH7
C431
1000P
C463
22P
R455
12K
R450
1000
Q407
HN1B01F
TP5
R458
4700
ZH18
ZH106
R693
10K
Q422
2SD1819A
ZH35
ZH4
R417
430K
D429
ERA15-10
C478
100P
ZH121
R441
680K
C422
0.01
R428
10K
Q421
2SD1819A
R462
430K
TP4
TP3
ZH107
R431
10K
ZH38
CURR
Vcc GND
CURR
DRIVE
COMP
MOS
DET
23
D
B
4
E
6
F
1 587
A
C
9
CAUTION
CAUTION
AC CORD
TO
COLD
HOT
COLD
HOT
COLD
HOT
COLD
HOT
COLD
HOT
CORRECTOR
FACTOR
POWER
PFC
P-BOARD TNPA3912AL (1/6)
2
1
3
CDFBE IAHG J K
TO
P-BOARD
(3/6)
ERROR DET
PFC DET
TH-37PG9W
P-Board (1 of 6) Schematic Diagram
TH-37PG9W
P-Board (1 of 6) Schematic Diagram
TH-37PG9W / TH-42PG9W
74

Table of Contents

Related product manuals