EasyManua.ls Logo

Panasonic TH-37PG9W - P-Board (4 of 6) Schematic Diagram (42 Inch)

Panasonic TH-37PG9W
178 pages
Print Icon
To Next Page IconTo Next Page
To Next Page IconTo Next Page
To Previous Page IconTo Previous Page
To Previous Page IconTo Previous Page
Loading...
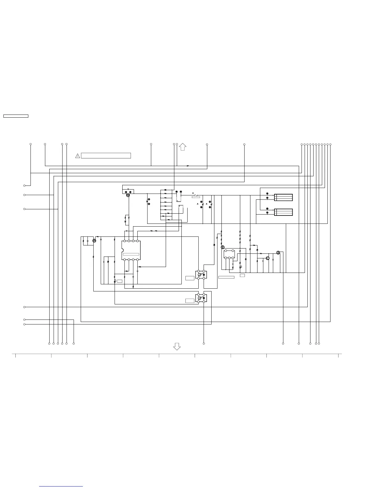
14.14. P-Board (4 of 6) Schematic Diagram (42inch)
C632
330P
R526
220K
R528
4.7
R622
150K
R534
47K
C629
0.01
R640
0.68
ZH24
D587
MA188
D575
MA188
C653
1000P
ZH27
R543
15K
ZH100
Vsus
R590
12K
R691
100K
R647
22K
R550
47K
Q505
2SK2998
R652
9.1K
ZH112
Vsus
R627
8.2K
Q540
RSR025P03
ZH39
R595
2200
R589
12K
ZH29
ZH23
ZH28
ZH26
T601
45H-5034A
5
9
4
6
IC509
L6565N
INV
1
COMP
2
VFF
3
CS
4
ZCD
5
GND
6
GD
7
Vcc
8
P11
3
NC
2
1
C615
1700u/200V
C641
1000P
R620
10K
C611
1700u/200V
R671
10K
C640
0.1
R643
0.68
PR601
T 3.15A 250V
D501
S3K60
R634
0.68
R946
33K
R644
0.68
R626
150K
R657
1000
IC507
ON3171
2
1
4
3
R656
R947
330
R648
150K
R621
12K
R646
22K
R527
220K
C518
0.1
R612
2200
R619
0.68
IC506
HA17431
5
4
1
3
2
ZH25
P2
3
NC
2
1
C619
0.1
R628
3K
R636
150K
D514
02DZ6.2
R945
22K
Q507
2SK3568
R639
0.68
R603
33K
ZH113
GND
C634
1000P
Q530
2SD1819A-RTX
D506
02DZ5.1
R601
47K
D582
MA7056
R533
16K
R654
22
ZH47
R637
0.68
ZH46
R658
1M
Q525
2SK3018
R642
0.68
C531
1.0
D585
02DZ7.5
IC505
ON3171
2
1
4
3
R608
3300
R695
16K
C616
1000P
ZH101
GND
1512 1710 181611 13 14
(SS11)
TO
SC-BOARD
(SC2)
TO
SC-BOARD
Csus
ERROR DET(Vsus)
Vsus
16
13
12
14
11
15
AC AFADAA AGAB AE
CA CB CC CD CE CF CG CH CI CJ CK CL
P-BOARD
(2/6)
TO
P-BOARD
(6/6)
TO
AK ALAJ AO AQ ARAM ANAI ASAH AP AT
DC-DC CONVERTER
PHOTO
COUPLER
COUPLER
PHOTO
P-BOARD TNPA3911AL (4/6)
0
0
175.0
0
0
175.0
TH-42PG9W
P-Board (4 of 6) Schematic Diagram
TH-42PG9W
P-Board (4 of 6) Schematic Diagram
TH-37PG9W / TH-42PG9W
84

Table of Contents

Related product manuals