EasyManua.ls Logo

PFT G4 - Page 28

PFT G4
99 pages
Print Icon
To Next Page IconTo Next Page
To Next Page IconTo Next Page
To Previous Page IconTo Previous Page
To Previous Page IconTo Previous Page
Loading...
Mixing Pump PFT G4
Structure and function
28 2007-09-05
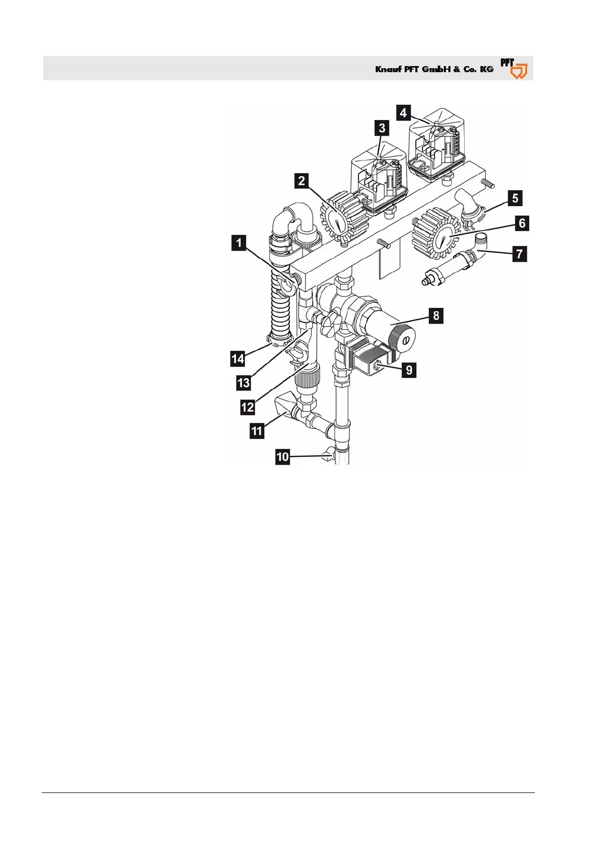
Water/air fitting:
1 Water connection
2 Manometer water operating
pressure
3 Pressure switch – water
4 Pressure switch – air
5 Air for the sprayer
6 Manometer – air operating
pressure
7 Air from pressure controller –
compressor
8 Pressure reducer
9 Solenoid valve
10 Drain cock
11 Needle valve
12 Water flow meter
13 Water removal valve
14 Water to the mixing pipe
Fig. 11: Water/air fitting
Pos: 4.11 /KN2006-SM/nL.......... Seitenumbruch .......... @ 8\mod_1141998334703_0.doc @ 293764

Table of Contents

Related product manuals