EasyManua.ls Logo

Ricoh JP5800 - Paper Delivery Table

Ricoh JP5800
175 pages
Print Icon
To Previous Page IconTo Previous Page
To Previous Page IconTo Previous Page
Loading...
PAPER DELIVERY TABLE 1 March, 2000
7-14
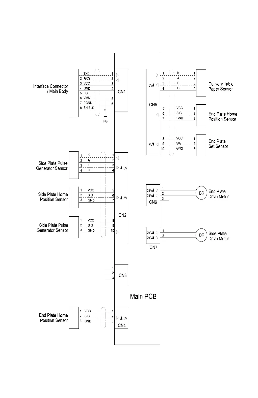
7.4 PAPER DELIVERY TABLE
C232S512.WMF

Table of Contents

Related product manuals