EasyManua.ls Logo

Robertson AP21 - Page 89

Default Icon
134 pages
Print Icon
To Next Page IconTo Next Page
To Next Page IconTo Next Page
To Previous Page IconTo Previous Page
To Previous Page IconTo Previous Page
Loading...
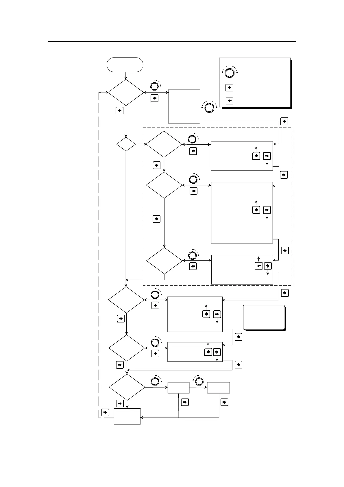
Installation
20220596E 87
DOCKSIDE
SEATRIAL
INSTALLATION
MENU
BOAT TYPE
DRIVE UNIT VOLTAGE
RUDDER CAL STBD
RUDDER CAL PORT
RUDDER TEST ?
TRANSITION SPEED
SET RUDDER ZERO ?
COMPASS CALIBRATION ?
COMPASS OFFSET
WIND SENSOR CALIBRATION*
WIND SENSOR OFFSET*
AUTOMATIC TUNING ?
SEA-TRIAL MENU
DOCKSIDE MENU
ENGLISH
DEUTSCH
FRANCAIS
ESPANOL
ITALIANO
NEDERLANDS
SVENSKA
NORSK
LANGUAGE MENU
ENTER INSTALLATION MENU
BY PRESSING AND HOLDING THE
NAV BUTTON FOR 5 SECONDS
PARAMETERS
RUDDER LO
CONT. RUDD. LO
AUTOTRIM LO
RUDD. LIM LO
RUDDER HI
CONT RUDD. HI
AUTOTRIM HI
RUDD LIM. HI
PARAMETER ITEMS
Note!
Dockside, Interface and
Seatrial Menus accessible
only in STBY mode
INTERFACE
Mode in
STBY ?
Yes
No
GPS 1
GPS 2
LC 1
LC 2
NAV 1
NAV 2
WIND
INSTR
RFC
MAGN
FLUXG.
GYRO
INSTR
RADAR
INTERFACE MENU
MASTER RESET
LANGUAGE
Input:
Output:
SELECT OR CONFIRM BY
ROTARY COURSE SELECTOR
GO TO NEXT MENU ITEM
BY PRESSING STBD BUTTON
REVERT TO PREVIOUS
MENU ITEM
SYMBOLS
NMEA TEST
LOOPBACK NMEA1
LOOPBACK NMEA2
NMEA TEST
Displayed only if CI300X
is used as interface
*
SOFTWARE
PROGRAM
DATE
TURN CCW CONFIRMED
Figure 4-32 Installation menu

Table of Contents